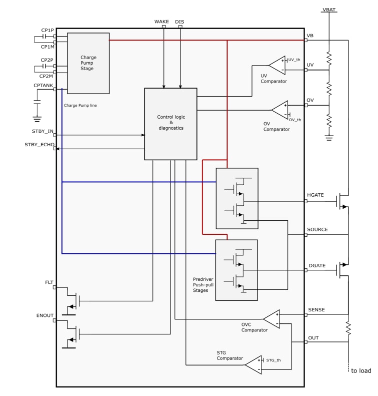
STMicro STPM801 핫 스왑 전압 컨트롤러는 역방향 입력 보호 및 출력 전압 홀드 업을 위해 쇼트 키 다이오드를 대체하는 두 번째 MOSFET(O-링)를 구동하는 통합형 아이디얼 다이오드 컨트롤러를 갖추고 있습니다.
STPM801 컨트롤러는 MOSFET에서 순방향 전압 강하를 구현하고 전원 공급 장치 장애, 브라운아웃 또는 입력 단락과 같은 오류 발생 시 역전류 과도 현상을 최소화합니다. STPM801은 애플리케이션 TSR에 따라 ASIL(Automotive Safety Integrity Level) A-B-C-D에서 정의한 기능 안전 요구 사항을 충족해야 하는 애플리케이션을 지원합니다.
STPM801은 콤팩트한 5mm x 5mm VFQFN-32 패키지로 제공되며, PCB 공간을 절약하고 외부 구성 요소의 필요성을 줄여 줍니다. 이 장치는 4~65V의 넓은 공급 전압 범위 내에서 작동하며 대기 전류는 25µA 로 낮으므로 자동차 전기 위험에 대한 탄력성을 보장하고 차량 전원 차단 시 배터리 소모를 최소화합니다.
특징
- AEC-Q100 인증
- 단일 채널
- 4~65V 넓은 입력 전압 범위
- -65V 역방향 입력
- 외부 N-채널 MOSFET 사전 드라이버 2개
- 소프트 스타트 기능 하나
- O링 기능 1개
- 50μA 미만의 대기 전류(웨이크 로우)
- 통합 충전 펌프
- 입력 과전압 보호
- 입력 부족전압 보호
- 출력 과전류 보호
- 16750 AC 리플 테스트 요구 사항(50Hz~25kHz) 준수
- 외부 커패시터로 조정 가능한 소프트 스타트
- ASIL D 애플리케이션을 지원하기 위해 ISO 26262에 따라 개발됨
애플리케이션
- 구역/차체 전자 제어 장치(ECU)
- 자율 주행 ECU
- ADAS(첨단 운전자 보조 시스템)
- 인포테인먼트 ECU
- 중복 전력 공급 시스템
- 듀얼 배터리 설정
블록 선도
게시일: 2023-05-11
| 갱신일: 2023-07-21

