STMicroelectronics STEVAL-MKI201V1K 평가 키트
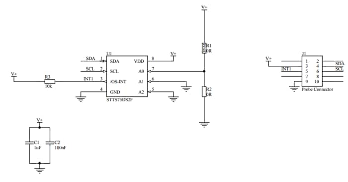
STMicroelectronics STEVAL-MKI201V1K 평가 키트는 평면 케이블을 통해 STEVAL-MKIGIBV1 어댑터 보드에 연결된 STTS75 온도 센서 장착 프로브로 구성됩니다. 이 키트는 STEVAL-MKI109V3 마더보드와의 인터페이스를 생성합니다. STEVAL-MKI201V1K 평가 키트는 초박형 프로브 상단에 장착할 수 있게 해주는 소형 패키지가 특징입니다. 이 평가 키트는 다른 전자 구성 요소 또는 보드에서 나는 열의 영향을 받지 않는 온도 값을 기록하는 데 도움이 됩니다. STEVAL-MKI201V1K 평가 키트는 완전한 STTS75 핀아웃을 제공하고 VDD 전원 공급 라인에 필요한 디커플링 커패시터와 함께 제공됩니다. STEVAL-MKIGIBV1 어댑터 보드는 표준 DIL24 소켓에 연결할 수 있습니다 STEVAL-MKI109V3 마더보드는 센서와 PC 사이에서 브리지 기능을 하는 고성능 32비트 마이크로컨트롤러가 특징입니다.특징
- 사용자 친화적인 STTS75 온도 센서 보드
- 표준 DIL24 소켓을 위한 완전한 STTS75 핀아웃
- STEVAL-MKI109V3 마더보드와 완벽하게 호환
- RoHS 준수
- WEEE 규격 준수
STEVAL-MKI201V1K 평가 키트 계통도
게시일: 2019-03-06
| 갱신일: 2025-12-12
