STMicroelectronics S2-LP 초저전력 Sub-1GHz 송수신기
STMicroelectronics S2-LP 초저전력, 고성능의 Sub-1GHz 송수신기는 RF 무선 애플리케이션용으로 설계되었습니다. S2-LP 송수신기는 433MHz, 512MHz, 868MHz, 920MHz에서 라이선스 없이 사용 가능한 ISM 및 SRD 주파수 대역에서 작동합니다. 또한 이 송수신기는 413~479MHz, 452~527MHz, 826~958MHz 및 904~1,055MHz 대역의 다른 추가 주파수에서 작동하도록 프로그래밍할 수 있습니다.S2-LP는 2(G)FSK, 4(G)FSK, OOK 및 ASK 변조 방식을 지원합니다. 대기 데이터 전송 속도는 0.1~500kbps까지 프로그래밍할 수 있습니다.S2-LP 송수신기는 협대역 동작을 가능하게 하는 1kHz까지의 채널 간격을 갖는 시스템에서 사용될 수 있습니다.
S2-LP는 장거리 통신 범위에서 140dB 이상의 RF 링크 예산을 나타내며 유럽, 일본, 중국 및 미국을 비롯한 전 세계 영토에서 적용 가능한 규제 요구 사항을 충족합니다.
특징
- 주파수 대역:
- S2-LPQTR: 413~479MHz; 826~958MHz
- S2-LPCBQTR: 452~527MHz; 904~1,055MHz
- 변조 방식: 2(G)FSK, 4(G)FSK, OOK, ASK
- 무선 데이터 전송 속도: 0.1~500kbps
- 초저 소비전력:
- 7mA RX
- +10dBm에서 10mA TX
- 우수한 수신기 감도 성능: 최저 -130dBm까지
- 우수한 수신기 선택성 및 차단
- 프로그래밍 가능 RF 출력 전력: 최대 +16dBm
- 프로그래밍 가능 RX 디지털 필터
- 프로그래밍 가능 채널 간격
- 신속한 기동 및 주파수 합성기 설정 시간
- 자동 주파수 오프셋 보상, AGC 및 기호 타이밍 복구
- 145dB 이상의 RF 링크 예산
- 배터리 표시기 및 배터리 부족 감지기
- RX 및 TX 128바이트 FIFO 버퍼
- 4선 SPI 인터페이스
- 자동 패킷 확인 응답 및 재전송
- 내장형 시간 제한 프로토콜 엔진
- 우수한 수신기 선택(2MHz에서 80dB 이상)
- ST 컴패니언 통합 발룬/필터 칩 사용 가능
- 안테나 다이버시티 알고리즘
- 완전 통합형 초저전력 RC 발진기
- 내부 타이머 또는 외부 이벤트에 의해 구동되는 웨이크업
- 디지털 실시간 RSSI
- 동적 페이로드 길이를 포함한 신축적인 패킷 길이
- 프로그래밍 가능한 프리앰블 및 SYNC 워드 품질 필터링과 감지
- LBT(listen-before-talk) 시스템 기반의 임베디드 CSMA/CA 엔진
- 화이트닝, FEC, CRC 및 이중 SYNC 워드 감지를 포함한 IEEE 802.15.4g 하드웨어 패킷 지원
- 무선 M-BUS 지원
- SIGFOX™ 및 MONARCH 네트워크에서 운영 가능
- 다음을 대상으로 하는 시스템 구축에 적합:
- 유럽: ETSI EN 300 220, 기본적으로 준수하는 카테고리 1.5, ETSI EN 303 131
- 미국: FCC part 15 및 part 90
- 일본: ARIB STD T67, T108
- 중국: SRRC
- 작동 온도 범위: -40~+105°C
- 패키지: 4mm x 4mm x 1mm QFN-24L
애플리케이션
- 전력 부하 스위칭
- 센서를 클라우드로
- 스마트 계측
- 가정용 에너지 관리 시스템
- 무선 경보 시스템
- 스마트 홈
- 빌딩 자동화
- 산업 모니터링 및 제어
- 스마트 조명 시스템
콘텐츠 스트림
비디오
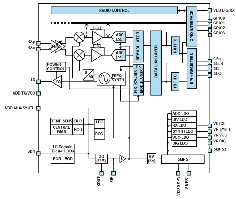
블록 선도
게시일: 2017-05-19
| 갱신일: 2022-05-09
