STMicro L9305 드라이버 아키텍처는 각 채널에 대한 전류 측정의 중복성을 보장합니다. 조정 전류는 0A~1.5A(정상 범위), 해상도0.25mA 또는 0A~2A(확장 범위), 0.33mA 분해능에서 프로그래밍할 수 있습니다. 사용자는 설정점 전류에 구성 가능한 디더 변조를 중첩할 수 있습니다.
특징
- AEC-Q100 인증
- 4채널 독립 LSD/HSD 전류 제어 드라이버
- 통합 전류 감지 경로
- 현재 정확성(정상 범위 내)
- 0~0.5A 범위에서 ±5mA
- 0.5A~1.5A 범위에서 ±1%
- 현재 정확성(확장된 범위에서)
- 0~0.3A 범위에서 ±5mA
- 0.3A~0.5A 범위에서 ±5%
- 0.5A~2A 범위에서 ±4%
- 175°C에서 최대 드라이버 RDSON 375mΩ
- 13비트 전류 설정점 분해능
- 가변 및 고정 주파수 전류 제어
- 프로그래밍 가능한 디더링 기능
- 선택 가능한 드라이버 슬루율 제어
- 안전 기능
- 하이 사이드 페일 세이프 인에이블 스위치 프리 드라이버(VDS 모니터링 포함)
- 중복 안전 인에이블 경로
- BIST를 사용한 고급 진단 및 모니터링
- 온도 센서 및 모니터링
- 모든 채널에 대한 중복 전류 감지
- CRC를 포함한 보정 및 구성 메모리
- 주소 궤환, 5비트 CRC, 프레임 계산기, 긴/짧은 프레임 감지를 사용하여 직렬 통신을 보호합니다.
- 등록 인증
- 5비트 CRC 메시지 검증을 통한 32비트 SPI 통신
- PWSSO36 및 TQFP48 패키지 옵션 제공
- 전체 ISO26262-compliant ASIL-D 시스템 준비
애플리케이션
- 자동차
- 섀시 및 안전
- 액티브 서스펜션
- 제동 시스템
- ABS
- 전자 제어 주행 안전 장치(ESC)
- 섀시 및 안전
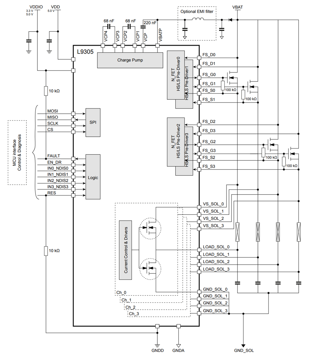
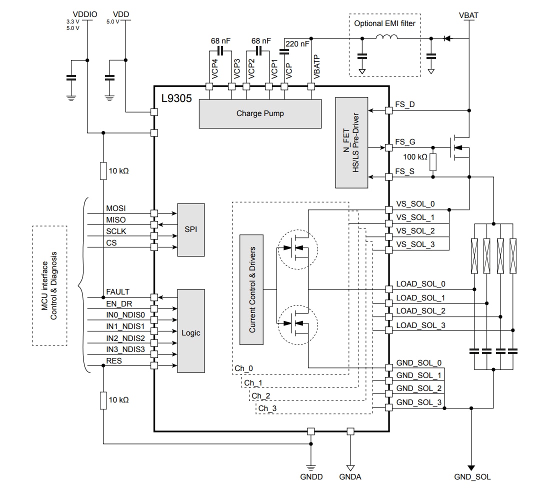
블록 선도
PWSSO36 애플리케이션 계통도
TQFP48 애플리케이션 계통도
게시일: 2025-08-08
| 갱신일: 2025-08-19

