STGIPQ5C60T SLLIMM(Small Low-Loss Intelligent Molded 모듈) Nano IPM에는 연산 증폭기와 비교기가 있는데 이를 사용해 효율적인 보호 회로를 설계할 수 있습니다. 일반적으로 모터 드라이브용 3상 인버터, 에어컨 팬, 냉장고 압축기 및 재순환 펌프에 사용됩니다.
특징
- 내부 부트스트랩 다이오드
- 부족 전압 록아웃
- 스마트 셧다운 기능
- 인터로킹 기능
- 낮은 전자기 간섭을 위해 최적화
- 향상된 전류 감지용 연산 증폭기
- 과전류로 인한 결함 보호용 비교기
- 절연 등급: 1,500Vrms/min
애플리케이션
- 모터 드라이브용 3상 인버터
- 식기세척기
- 냉장고 컴프레서
- 난방 시스템
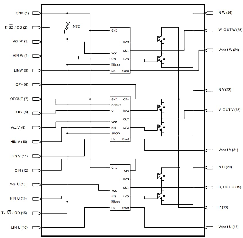
내부 계통도 및 핀 구성
게시일: 2017-11-16
| 갱신일: 2022-03-10

