STM STGIPQ4C60T-HZ SLLIMM 나노 IGBT 패키지는 보다 효과적이면서도 보다 쉽게 히트 싱크를 연결하고 조립 공간이 제한적인 내장형 모터 응용 분야 또는 기타 저전력 응용 분야에서 열 성능 및 소형화를 최적화할 수 있도록 설계되었습니다. IPM에는 완전 중립 연산 증폭기와 빠르고 효율적인 보호 회로를 설계하는 데 사용할 수 있는 비교기가 포함되어 있습니다.
특징
- IPM 6A, 600V, 3상 IGBT 인버터 브리지(3개의 게이트 구동용 제어 IC 및 프리휠링 다이오드 포함)
- 3.3V, 5V, 15V TTL/CMOS 입력 비교기(히스테리시스 및 풀다운/풀업 저항기 포함)
- 내부 부트스트랩 다이오드
- 낮은 전자기 간섭을 위해 최적화됨
- 부족전압 록아웃
- 단락 회로 러기드 TFS IGBT
- 차단 기능
- 인터로킹 기능
- 향상된 전류 감지용 연산 증폭기
- 과전류로 인한 결함 보호용 비교기
- 1,500Vrms/min 절연 등급
- NTC(UL 1434 CA 2 및 4)
- 최대 ±2kV ESD 보호(HBM C=100pF, R=1.5kΩ)
- UL 인증: UL 1557, 파일 E81734
애플리케이션
- 모터 드라이브용 3상 인버터
- 식기세척기
- 세탁기
- 냉장고 컴프레서
- 팬
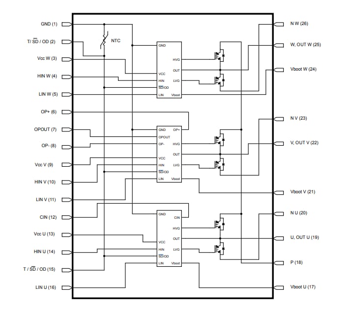
내부 계통도
게시일: 2021-03-08
| 갱신일: 2022-03-11

