특징
- IPM 600V, 3상 IGBT 인버터 브리지(2개의 게이트 구동용 제어 IC 및 프리휠링 다이오드 포함)
- 3.3V, 5V TTL/CMOS 입력(히스테리시스 포함)
- 내부 부트스트랩 다이오드
- 게이트 드라이버의 부족전압 록아웃
- 스마트 셧다운 기능
- 단락 보호
- 셧다운 입력/오류 출력
- 별도의 개방 이미터 출력
- 내장형 온도 센서
- 결함 보호를 위한 비교기
- 단락 회로 러기드 TFS IGBT
- 매우 빠르고 부드러운 복구 다이오드
- 85kΩ NTC, UL 1434, CA 4 인증
- 완전 절연된 패키지
- 1,500Vrms/min의 절연 등급
- UL 1557, 파일 E81734 UL 인증
- ESD 보호 기능을 향상시키는 임베디드 TVS
애플리케이션
- 모터 드라이브용 3상 인버터
- 세탁기
- 건조기
- 펌프
- 에어컨
- 재봉기
패키지 외형
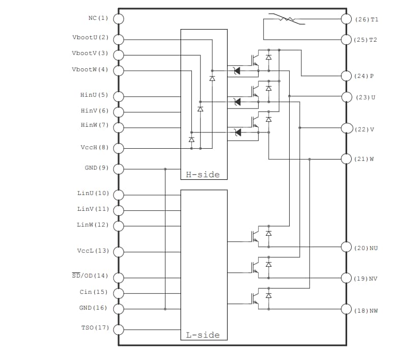
내부 계통도
게시일: 2020-10-30
| 갱신일: 2024-12-30

