STMicroelectronics STGAP4S 절연 게이트 드라이버
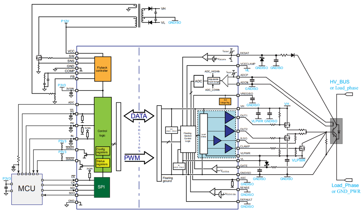
STMicroelectronics STGAP4S 절연 게이트 드라이버는 고급 보호, 구성 및 진단 기능을 갖춘 IGBT 및 SiC MOSFET용 갈바닉 절연 단일 게이트 드라이버입니다. 이 드라이버의 아키텍처는 진정한 갈바닉 절연을 통해 채널 게이트 구동을 제어 및 저전압 인터페이스 회로와 분리합니다. STGAP4S 드라이버는 양극 및 음극 게이트 드라이버 공급 전압을 생성하는 절연 플라이백 전원 공급 장치용 온도 센서와 컨트롤러를 통합합니다. 오픈 드레인 진단 출력이 있으며, SPI를 통해 자세한 장치 상태를 모니터링할 수 있습니다. 각 기능의 파라미터는 SPI를 통해 프로그래밍할 수 있어 매우 유연하고 다양한 애플리케이션에 적용할 수 있습니다. STGAP4S 게이트 드라이버는 전기 자동차(EV)용 인버터, 산업용 인버터, EV 충전소, UPS 장비, 태양광 인버터, AC/AC 컨버터 및 DC/DC 컨버터에 사용됩니다.특징
- AEC-Q100 인증
- 최대 1,200V 고전압 레일
- 외부 MOSFET 버퍼의 직접 구동을 위한 출력핀 2개
- 드라이버 전류 성능:
- OUT1: 0.6/2.5A 싱크/소스
- OUT2: 2.4/0.6A 싱크/소스
- 네거티브 게이트 드라이브 기능
- dV/dt 과도 내성: 전체 온도 범위에서 ±100V/ns
- 절연형 플라이백 전원 공급 장치용 통합 컨트롤러
- 외부 N채널 MOSFET용 액티브 밀러 클램프 드라이버
- 프로그래밍 가능 불포화 감지
- 프로그래밍 가능 과전류 감지
- 각 전원에서 프로그래밍 가능한 UVLO(저전압 차단) 및 OVLO(과전압 차단)
- 프로그래밍 가능 입력 디글리치 필터
- 소프트 턴 오프
- VCE 액티브 클램프
- 진단 상태 출력 2개
- 비동기 정지 명령
- 절연형 8비트 A/D 컨버터
- 온도 센서 통합
- 프로그래밍 가능 데드 타임(위반 오류 포함)
- 매개변수 프로그래밍 및 확장 진단을 위한 SPI 인터페이스
- 온도 경고 및 셧다운 보호
- 보호 기능을 위한 자체 진단 루틴
애플리케이션
- EV/HEV용 인버터
- 600/1200V 산업용 인버터
- EV 충전소
- UPS 장비
- AC/AC 컨버터
- DC/DC 컨버터
- 태양광 인버터
블록 선도
일반 애플리케이션 회로
비디오
게시일: 2024-03-15
| 갱신일: 2025-08-12
