STM STEVAL-MKI221V1 어댑터 보드는 표준 DIL 24 소켓에 연결됩니다. 이 어댑터는 완전한 LSM6DSO32X 핀아웃을 제공하고 VDD 전원 공급 장치선에 필요한 디커플링 커패시터에 바로 사용할 수 있습니다. 또한 이 어댑터는 STEVAL-MKI109V3 마더보드가 지원합니다. 센서와 PC 사이에서 브리지 기능을 하는 고성능 32비트 마이크로컨트롤러가 포함되어 있습니다.
STEVAL-MKI221V1 어댑터 보드는 X-NUCLEO-IKS01A2, x-NUCLEOIKS01A3 및 X-NUCLEO-IKS02A1 확장 보드에 연결됩니다. 이 보드는 사용자 빠른 시스템 시제품 제작 및 장치 평가를 위한 효과적인 솔루션을 애플리케이션 내에서 직접 제공합니다.
특징
- 표준 DIL 24 소켓을 위한 완벽한 LSM6DSO32X 핀아웃
- STEVAL-MKI109V3 마더보드와 완벽하게 호환
- 저항기 설정을 변경하여 STEVAL-MKI109V2와 호환되도록 구성 가능
- RoHS 규격 준수
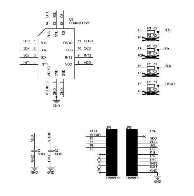
회로 계통도
게시일: 2021-05-03
| 갱신일: 2022-03-11

