STMicroelectronics STEVAL-MKI215V1 어댑터 보드
STMicroelectronics STEVAL-MKI215V1 어댑터 보드는 LSM6DS032 제품군의 MEMS 장치를 평가할 수 있도록 설계되었습니다. 이 어댑터 보드는 사용자 애플리케이션 내에서 직접 빠른 시스템 시제품 제작 및 장치 평가를 위한 효과적인 솔루션입니다. STEVAL-MKI215V1 어댑터 보드는 완전한 LSM6DS032 핀아웃을 제공하며 VDD 전원 공급 라인에 필요한 디커플링 커패시터와 함께 바로 사용할 수 있습니다. 이 어댑터 보드는 센서와 PC 간의 브리지 역할을 하는 고성능 32비트 마이크로컨트롤러가내장된 STEVAL-MKI1093V3 마더보드를 지원합니다. 이 마더보드는 맞춤형 애플리케이션을 위한 그래픽 사용자 인터페이스 또는 전용 소프트웨어 루틴을 다운로드하는 데 사용됩니다.STEVAL-MKI215V1 어댑터 보드는 표준 X-NUCLEO-IKS01A2 보드, X-NUCLEO-IKS01A1 보드 및 X-NUCLEO-IKS01A3 보드에 연결할 수 있습니다. 이 어댑터 보드는 -40~85°C의 작동 온도 범위에서 작동합니다. 일반적으로 웨어러블, 스마트 워치, 스포츠 장비, 모션 추적, 제스처 위치, 심한 낙하 감지, IoT 및 연결 장치, 센서 허브, 내비게이션 및 휴대용 장치를 위한 스마트 절전에 사용됩니다.
특징
- STEVAL-MKI109V3 마더보드와 호환
- 표준 DIL24 소켓을 위한 완전한 LSM6DS032 핀아웃
- 작동 온도 범위: -40~85°C
- RoHS 준수
애플리케이션
- 웨어러블, 스마트 워치 및 스포츠 장비
- 모션 트래킹 및 제스처 감지
- 하드 낙하 감지
- 센서 허브
- 내비게이션
- 휴대용 장치의 스마트 절전
- IoT 및 접속 장치
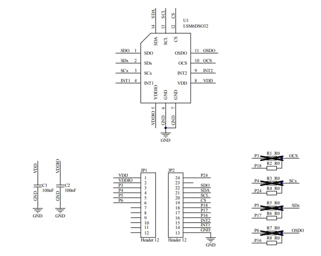
어댑터 보드 계통도
게시일: 2020-09-01
| 갱신일: 2024-12-30
