STMicroelectronics STEVAL-IDB011V1 평가 보드
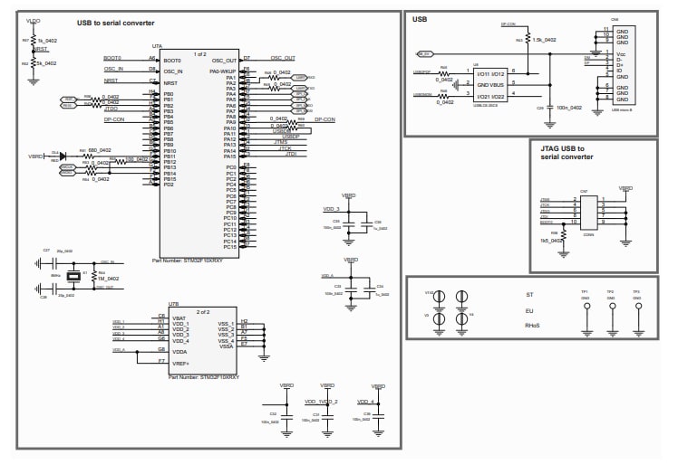
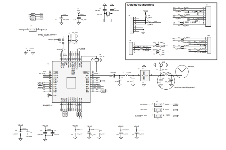
STMicroelectronics STEVAL-IDB011V1 평가 보드는 BLUETOOTH® 저에너지 애플리케이션을 개발하고 테스트하는 데 도움이 되는 BlueNRG-LP SoC(시스템 온 칩)를 평가합니다. 이 평가 보드는 마스터, 슬레이브, 동시 마스터 및 슬레이브 역할, 임베디드 CMISS-DAP 디버거 및 드래그앤드롭 프로그래밍을 지원합니다. STEVAL-IDB011V1 평가 보드는 Arduino R3 커넥터, MEMS 디지털 마이크, MEMS 디지털 온도/압력 센서 및 MEMS 디지털 가속도계/자이로스코프를 갖추고 있습니다. 일반적으로 산업 및 가정 자동화, 스마트 조명, 피트니스, 웰빙, 스포츠, 의료, 소비자 의료, 시계, 보안/근접, 원격 제어, 휴대폰 주변 장치 및 PC 주변 장치에 사용됩니다.특징
- 낮은 소비전력
- LED 3개 및 사용자 버튼 2개
- RoHS 준수
- BlueNRG-LP SoC 평가
- 아두이노 R3 커넥터
- 임베디드 CMISS-DAP 디버거 및 드래그앤드롭 프로그래밍
애플리케이션
- 산업용
- 홈 및 산업 자동화
- 스마트 조명
- 피트니스, 웰빙 및 스포츠
- 헬스케어 및 소비자 의료
- 시계
- 보안/근접
- 원격 제어
- 생활보조 장치
- 휴대폰 주변기기
- PC 주변 장치
사양
- 우수한 수신기 감도:
- 1Mbps에서 -96dBm
- 125Mbps에서 -103dBm
- 최대 8dBm 프로그래밍 가능 출력 전력
콘텐츠 스트림
비디오
게시일: 2020-09-07
| 갱신일: 2025-01-13
