STMicroelectronics STDRIVE101 3중 하프 브리지 게이트 드라이버
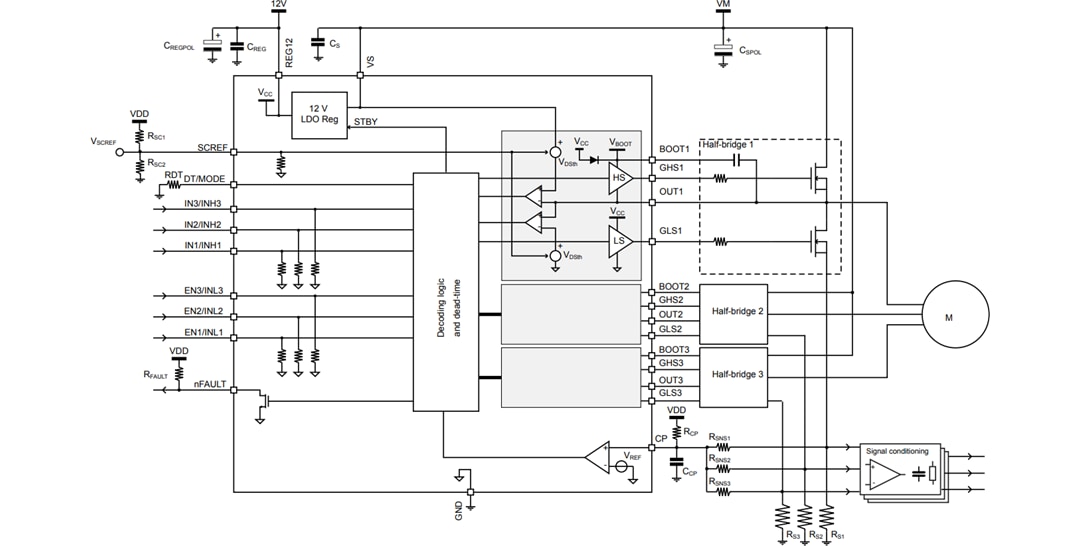
STMicroelectronics STDRIVE101 3중 하프 브리지 게이트 드라이버는 3상 브러시리스 모터 구동에 적합한 저전압 게이트 드라이버입니다. STDRIVE101은 N채널 전력 MOSFET용 하프 브리지 게이트 드라이버가 3 개 포함된 단일 칩입니다. 각 드라이버의 전류 성능은 600mA(싱크/소스)입니다. 이 장치는 부트스트랩 회로를 통해 로우 측 및 하이 측 게이트 드라이버 모두를 위한 공급 전압을 생성하는 저드롭 선형 레귤레이터를 통합하고 있습니다. 이 장치는 로우 측 및 하이 측 섹션에 모두 UVLO(부족전압 록아웃) 기능을 제공하므로 전원 스위치가 낮은 효율 또는 위험한 조건에서 작동하지 않도록 방지합니다.특징
- 5.5~75.0V 넓은 작동 전압
- 600mA 싱그/소스 전류 성능
- 3.3V 및 5.0V 제어 로직
- 두 가지 입력 전략
- ENx/INx(조절 가능한 데드타임 생성 기능 포함)
- INHx/INLx(인터 로킹 기능 포함)
- 모든 채널에 대한 일치하는 전달 지연
- 40ns의 매우 짧은 전파 지연
- 통합형 부트스트랩 다이오드
- 12V LDO 선형 레귤레이터(최대 50mA)
- 각 외부 MOSFET에 대한 임베디드 VDS 모니터
- 과전류 비교기
- UVLO 및 열 셧다운 보호
- 낮은 전류 소비전력 작동을 위한 대기 모드
- -40~+125°C 작동 온도 범위
- 4mm x 4mm VFQFPN24 패키지
애플리케이션
- 홈 자동화
- 가전 제품
- 전동 자전거
- 전동 공구
- 팬 및 펌프
- 산업 자동화
- 직물 기계
- 게이밍 및 콘솔
비디오
블록 선도
일반 애플리케이션 회로
게시일: 2020-11-13
| 갱신일: 2024-12-30
