STMicroelectronics powerSTEP01 Controller & MOSFET SiP
STMicroelectronics powerSTEP01 Controller and MOSFETs System-in-Package (SiP) devices integrate an SPI programmable controller with eight N-channel 16mΩ MOSFETs for stepper applications up to 85V. These modules provide full digital control of the motion through speed profile generation and positioning calculations. STMicroelectronics powerSTEP01 Controller and MOSFETs SiP devices integrate a dual low RDS(on) full bridge with embedded non-dissipative overcurrent protection.Features
- 10.5V to 85V voltage range
- 10ARMS maximum output current
- Up to 1/128 microstep
- Programmable speed profile and advanced commands
- Adjustable output slew rate
- SPI with daisy chain feature
- FLAG and BUSY LED indicators
- Flexible supply voltage management
- Suitable for use with STEVAL-PCC009V2
Applications
- High power bipolar stepper motors
- Stage lighting
- Surveillance systems
- Textile and sewing machines
- Pick and place machines
Videos
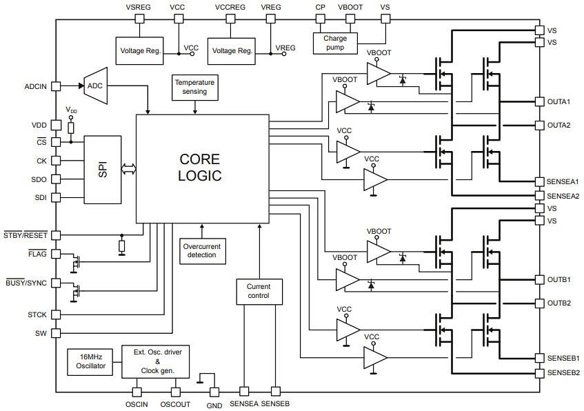
Block Diagram
게시일: 2015-05-21
| 갱신일: 2025-01-30
