STMicroelectronics LM2904B 저전력 이중 연산 증폭기
STMicroelectronics LM2904B 저전력 이중 연산 증폭기(op amp)는 내부적으로 주파수가 보상되는 2개의 독립형 고이득 연산 증폭기로 구성되어 있습니다. 이 장치는 자동차 및 산업용 제어 시스템을 위해 특별히 설계되었습니다. 이 회로는 광범위한 전압에서 단일 전원 공급 장치로 작동합니다. STMicroelectronics LM2904B는 최대 36V 공급 전압 작동이 보장됩니다. 공급 전압의 크기와는 무관하게 전원 공급 장치의 전류 드레인이 낮은 것이 특징입니다. 변환기 증폭기, DC 이득 블록 및 기존 연산 증폭기 회로에 사용되며 이제 단일 전원 공급 시스템에서 더 쉽게 구현할 수 있습니다. 이러한 회로는 로직 시스템에서 일반적으로 사용되는 표준 5V에서 직접 공급될 수 있습니다. 이 장치는 추가 전원 공급 장치 없이 필요한 전자 인터페이스를 신속하게 제공합니다. 선형 모드에서 입력 공통 모드 전압 범위에는 접지가 포함되며, 단일 전원 공급 장치에서 작동하더라도 출력 전압도 접지로 스윙할 수 있습니다.특징
- 최대 36V 작동 공급 전압
- 내부적으로 실행되는 주파수 보상
- 100dB의 높은 DC 전압 이득
- 1.2MHz(보정 온도) 넓은 대역폭(단위 이득)
- 공급 전압과 독립적인, 매우 낮은 공급 전류/증폭기
- 20nA(보정 온도)의 낮은 입력 바이어스 전류
- 2nA의 낮은 입력 오프셋 전류
- 네거티브 레일이 포함된 입력 공통 모드 범위
- 차동 입력 전압 범위가 공급 전압과 같음
- 0V~VCC+-1.5V의 높은 출력 전압 스윙
애플리케이션
- 전기통신 장비
- 전력 관리
- 산업용 애플리케이션
- 자동차
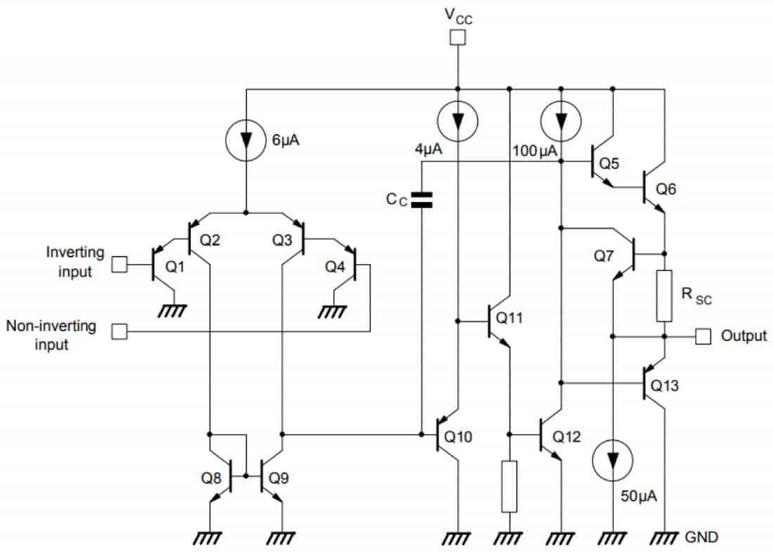
계통도
게시일: 2021-07-27
| 갱신일: 2022-03-11
