특징
- AEC-Q100 인증
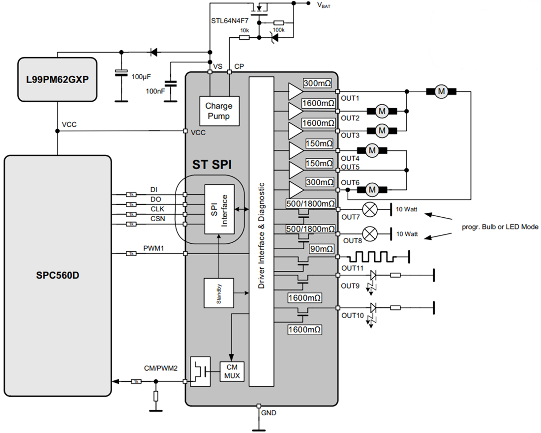
- 6A 부하를 위한 하프 브리지 2개(RDSon = 150mΩ)
- 3A 부하를 위한 하프 브리지 2개(RDSon = 300mΩ)
- 0.75A 부하를 위한 하프 브리지 2개(RDSon = 1,600mΩ)
- 6A 부하를 위한 하이 측 드라이버 1개(RDSon = 90mΩ)
- 최대 1.5A 부하(RDSon = 500mΩ) 또는 0.4A 부하(RDSon = 1,800mΩ)를 위한 2개의 구성 가능한 하이 측 드라이버
- 0.5A 부하를 위한 하이 측 드라이버 2개(RDSon = 1,600mΩ)
- 전류 제한값으로 높은 돌입 전류로 로드 장치를 구동하는 프로그래밍 가능한 소프트 스타트 기능
- 대기 모드에서 매우 낮은 소비 전류(IS 6μA 미만(표준); Tj 85°C 이하, ICC 5μA 미만(표준); Tj 85°C 이하)
- 모든 하이 측 드라이버에 대한 전류 모니터 출력
- 장치는 온도 경고 및 보호 기능을 포함하고 있음
- 모든 출력에 대한 개방 부하 감지
- 모든 출력에 대한 과전류 보호
- 모든 출력의 PWM 제어
- 역 극성 보호를 위한 충전 펌프 출력
- ST 표준 직렬 주변기기 인터페이스(ST-SPI 3.0)
애플리케이션
- 벌브/LED와 같은 하이 측 구성에서 추가 로드 장치로 센서를 제어하거나 센서 또는 카메라와 같은 보호된 전원을 필요로 하는 여러 모터
블록 선도
게시일: 2019-12-04
| 갱신일: 2024-02-19

