STM L6982 동기식 강압 컨버터는 LCM(낮은 소비전력 모드)와 LNM(저잡음 모드) 버전을 모두 제공합니다. LCM은 출력 전압 리플을 제어하여 경부하에서 효율을 극대화하므로 이 장치는 배터리 구동식 애플리케이션에 적합합니다. LNM은 스위칭 주파수를 일정하게 유지하고 경부하 작업을 위한 출력 전압 리플을 최소화하여 저잡음 애플리케이션 사양을 충족시킵니다.
L6982에는 피크 전류 모드 아키텍처가 있으며 내부 보상 기능이 있는 SO-8L 패키지로 제공되어 설계 복잡성과 크기를 최소화합니다.
특징
- 3.5~38V 작동 입력 전압
- 0.85V~VIN 출력 전압
- 2A DC 출력 전류
- 내부 보상 네트워크
- 두 가지 다른 버전, 경부하 조건에서 높은 효율을 발휘하기 위한 LCM 및 잡음에 민감한 애플리케이션을 위한 LNM
- 2uA 셧다운 전류
- 내부 소프트 스타트
- 활성화
- 과전압 보호
- 출력 전압 시퀀싱
- 과열 보호
- LNM 장치의 외부 클록으로 동기화
- SO 8L 패키지
애플리케이션
- 24V 버스 산업용 전력 시스템을 위해 설계
- 24V 배터리 전원 공급식 장비
- 분산된 지능형 노드
- 센서 및 상시 작동 애플리케이션
- 저잡음 애플리케이션
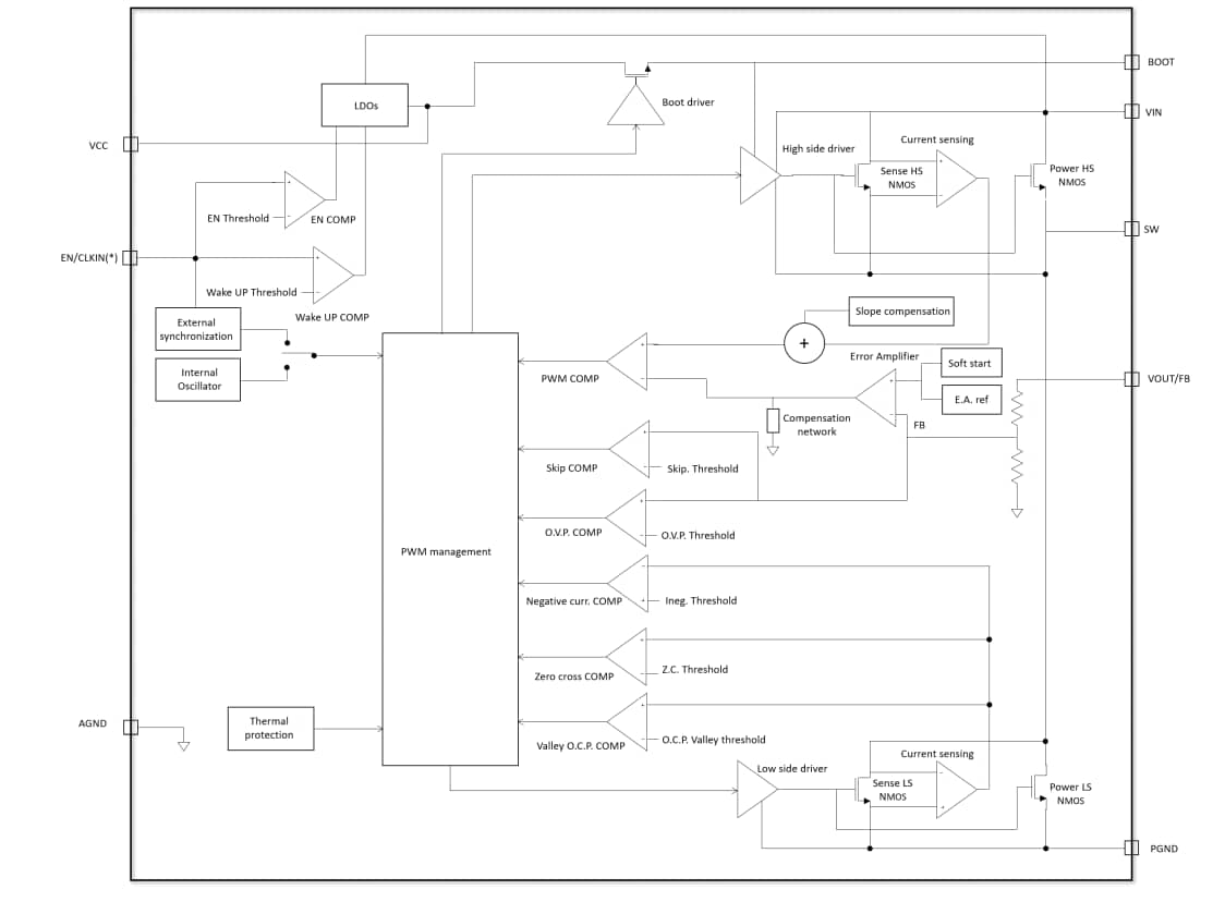
블록 선도
기본 애플리케이션(조절 가능)
비디오
게시일: 2021-04-29
| 갱신일: 2023-01-24

