STMicroelectronics 자동차 클래스 D 오디오 전력 증폭기
STMicroelectronics 자동차 클래스 D 오디오 전력 증폭기는 자동차 오디오 애플리케이션용으로 설계된 BCD(Bipolar-CMOS-DMOS) 기술을 갖춘 디지털 입력 증폭기입니다. 클래스 D 오디오 증폭기는 넓은 작동 범위, ESD 보호, AEC-Q100 인증, 2Ω 및 1Ω 부하 구동 성능을 갖추고 있습니다. 이 오디오 증폭기는 단일 브리지 및 쿼드 브리지 구성으로 제공됩니다. 클래스 D 오디오 증폭기는 I2S 및 TDM(Time Division Multiplexing) 디지털 입력을 사용합니다. 이 오디오 증폭기는 효율성을 개선하는 고성능 D/A 컨버터를 통합하고 있습니다. 클래스 D 오디오 증폭기는 피드백 루프와 탁월한 주파수 응답 선형성과 낮은 왜곡을 제공하는 출력 L-C 저역 통과 필터를 통합하고 있습니다. 이 증폭기는 튜너, 잡음 및 음향 발생기, 텔레매틱스 및 전자 호출 시스템과 함께 표준 단일 DIN 자동차 라디오 박스에 사용됩니다.특징
- 통합 108/110dB D/A 변환
- 전체 I2C 버스 구동
- 피드백에 포함된 출력 저역 통과 필터
- 클리핑 감지기
- 44.1kHz, 48kHz, 96kHz, 192kHz 입력 샘플링 주파수
- ESD 보호
- 2Ω 및 1Ω 부하 구동 능력
- AEC-Q100 인증
사양
- FDA801B 및 FDA801:
- 3.3V/1.8V I2S 및 TDM 디지털 입력
- 28W/4Ω @Vd=14.4V, THD=10% 고출력 전력 성능
- LQFP64 노출 패드 업 패키지
- FDA803D 및 FDA903D:
- 4/8/16 채널 I2S 및 TDM 디지털 입력
- 1 x 25W / 4Ω @Vd=14.4 V, THD=1%의 고출력 전력 성능
- 1 x 30 W / 4Ω @Vd=14.4 V, THD=10%의 고출력 전력 성능
- PowerSSO-36 노출 패드 다운 패키지
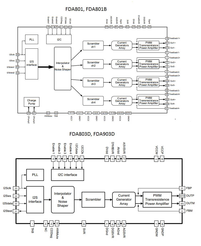
클래스 D 증폭기 블록 선도
게시일: 2018-06-17
| 갱신일: 2025-01-09
