STMicroelectronics ACEPACK™ IGBT 모듈
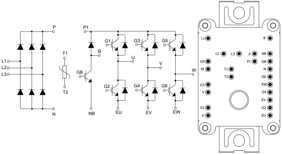
STMicroelectronics ACEPACK™ IGBT 모듈은 전력 관리 솔루션 및 산업용 애플리케이션을 다루기 위해 개발된 새로운 플라스틱 전력 모듈 제품군입니다. ACEPACK™ 1 및 ACEPACK™ 2 패키지는 고급 트렌치 게이트 필드 스톱 기술을 통합하는 CIB(컨버터 인버터 브레이크)와 6팩 토폴로지를 모두 포함하여 출시됩니다. 이러한 ACEPACK IGBT 모듈은 ACEPACK 1 또는 ACEPACK 2 전력 모듈, 통합 NTC(부온도계수) 및 CIB 또는 6팩 토폴로지가 특징입니다.이 모듈은 효율을 20kHz만큼 극대화하기 위해 전도와 스위칭 손실 간 최상의 절충을 실현함으로써 새로운 IGBT 기술을 적절히 이용할 수 있게 해줍니다. 이러한 IGBT 모듈은 산업용 모터 드라이브, 태양광 패널, 용접 및 인버터에 사용하기에 적합합니다.특징
- ACEPACK™ 1 및 ACEPACK™ 2 전력 모듈:
- DBC(Direct Bonded Copper) Cu Al2O3 Cu
- CIB(컨버터 인버터 브레이크) 토폴로지:
- 차단 전압: 1,600V
- 1,200V, 25A IGBT 및 다이오드
- 1.95VCE(포화) @IC=25A
- 부드럽고 빠른 복구 다이오드
- 6팩 토폴로지:
- 1,200V, 35A IGBT 및 다이오드
- 1.95VCE(포화) @ IC=35A
- 부드럽고 빠른 복구 다이오드
- 통합 NTC
애플리케이션
- 인버터
- 모터 드라이브
- 태양광 패널
- 용접
비디오
게시일: 2018-01-02
| 갱신일: 2023-01-31
