STMicroelectronics A6985F 동기식 강압 스위칭 레귤레이터
STMicroelectronics A6985F 동기식 강압 스위칭 레귤레이터는 최대 0.5A DC를 제공하는 자동차용 장치입니다. A6985F는 낮은 소비 전력 모드, 낮은 잡음 모드 특징이 있으며 0.85~VIN의 범위로 출력 전압을 조절할 수 있습니다. 이 레귤레이터는 AEC-Q100 인증을 받았으며 100% 듀티 사이클 성능과 콜드 크랭크 및 로드 덤프 사양에 맞는 폭넓은 입력 전압 범위를 갖습니다. 일반적으로 배터리 전원 애플리케이션, 차체 애플리케이션, 자동차 시스템용으로 설계된 애플리케이션 등에 사용됩니다.특징
- AECQ-100 인증
- 출력 전류: 0.5A DC
- 작동 입력 전압: 4~38V
- 낮은 소비전력 모드 또는 낮은 잡음 모드
- 경부하에서 30μA IQ(LCM VOUT= 3.3V)
- 8μA IQ-SHTDWN
- 출력 전압:
- 3.3V 및 고정 5V
- 0.85~VIN까지 조정 가능
- 조절 가능 fSW(250kHz~2MHz)
- 임베디드 출력 전압 슈퍼바이저
- 동기화
- 조정 가능한 소프트 스타트 시간
- 내부 전류 제한
- 과전압 보호
- 과전압 시퀀싱
- 피크 전류 모드 아키텍처
- RDSON HS= 360mΩ, RDSON LS= 150mΩ
- 과열 시 셧다운
애플리케이션
- 자동차 시스템용으로 설계됨
- 배터리 전원 공급식 애플리케이션
- 자동차 차체 애플리케이션(LCM)
- 자동차 오디오 및 저잡음 애플리케이션(LNM)
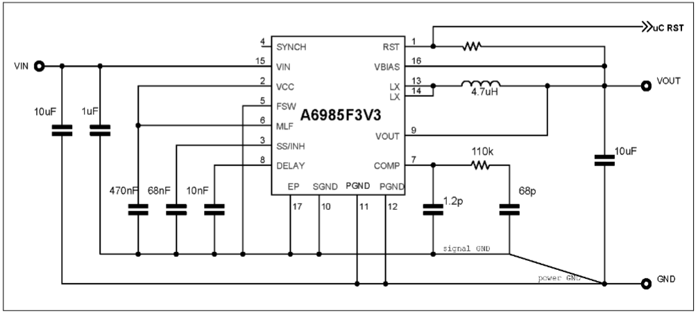
A6985F 애플리케이션 회로
게시일: 2016-03-02
| 갱신일: 2022-03-11
