BM64070MUV는 속도 피드백 제어 기능이 있으며 입력 PWM 신호에 대한 회전 주파수 특성을 조정하여 출력 PWM 듀티를 제어합니다.
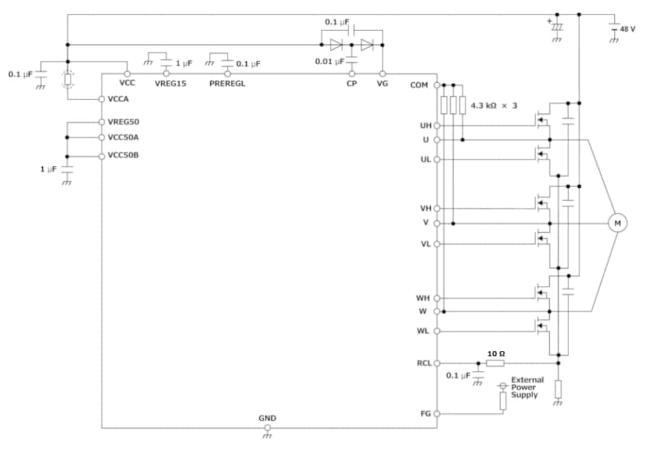
BM64300MUV는 3개의 홀 센서로 로터 위치를 감지합니다. 또한 출력 전류를 사인 파형으로 만들어 정숙하고 저진동 작동을 구현합니다.
특징
- BM64300MUV-
- PWM 듀티 입력에 대한 속도 제어
- 외부 출력 FET Nch+Nch
- 내장형 부스트 전압 회로
- 3 홀 사인파 드라이브
- 자동 리드각 제어
- 모터 폴 선택 기능
- 소프트 스타트 기능
- 데드타임 설정
- 전류 제한 기능
- 절전 기능
- 회전 설정 방향
- 짧은 브레이크 제어
- 내장형 보호 기능(모터 잠금 보호[MLP], 고속 회전 보호, 과전압 로크아웃[OVLO], 저전압 로크아웃[UVLO], 과열 차단[TSD], 과전류 보호[OCP])
- BM64070MUV-
- PWM 듀티 입력에 대한 속도 제어
- 외부 출력 FET Nch+Nch
- 내장형 부스트 전압 회로
- 센서리스 사인파 드라이브
- 자동 리드각 제어
- 데드타임 설정
- 전류 제한 기능
- 절전 기능
- 회전 설정 방향
- 짧은 브레이크 제어
- 속도 피드백 제어
- 내장된 OTP로 모터 회전수 테이블 및 각종 파라미터 설정 가능
- 내장형 보호 기능(모터 잠금 보호[MLP], 고속 회전 보호, 과전압 로크아웃[OVLO], 저전압 로크아웃[UVLO], 과열 차단[TSD], 과전류 보호)[OCP]
애플리케이션
- 팬 모터
- 기타 일반 소비자 장비
사양
- BM64300MUV-
- 28~63V 작동 공급 전압 범위
- 40kHz(표준) 출력 PWM 주파수
- 1.2mA(표준) 대기 전류
- -40~+105°C 작동 온도 범위
- BM64070MUV-
- 28~77V 작동 공급 전압 범위
- 6.4mA(표준) 회로 전류(ICC)
- -40~+105°C 작동 온도 범위
게시일: 2021-09-15
| 갱신일: 2022-03-11
