ROHM Semiconductor BD18353EFV-M 1 채널 고전류 LED 컨트롤러
ROHM Semiconductor BD18353x 시리즈 1ch 고전류 LED 컨트롤러는 하이 측 전류 감지 증폭기가 내장된 AEC-Q100 인증 장치입니다. 이 LED 컨트롤러는 내장형 아날로그 디밍, OVP(과전압 보호) 및 SCP(단락 회로 보호)의 두 가지 시스템을 갖추고 있습니다. PWM 디밍은 내장형 PWM 생성 회로로 무료로 설정할 수 있습니다. 이 LED 컨트롤러는 5~65V 입력 전압 범위 및 -40°C ~125°C 온도 범위에서 작동합니다. BD18353EFV-M 1채널 고전류 LED 컨트롤러는 자동차 외부 램프에 이상적입니다.특징
- AEC-Q100 인증(등급 1)
- 레일-레일 전류 감지 증폭기
- PWM 디밍 신호 발생기
- OVP(과전압 보호)
- SCP(단락 보호)
- 아날로그 디밍(2개의 시스템)
- DRL 모드(100% 듀티) 활성화
- 출력 비정상 LED 상태(FAULT_B)
- 확산 스펙트럼 주파수 변조 ON/OFF(SSFM_B)
사양
- -40~125°C 작동 온도 범위
- 5~65V 입력 전압 범위
- ±3% LED 전류 감지 전압 정확도
- 65V 최대 출력 전압
- 200kHz~2.5MHz 주파수 스위칭 범위
애플리케이션
- 자동차 외부 램프:
- 후방, 회전, DRL/위치, 안개, 하이 및 로우 빔
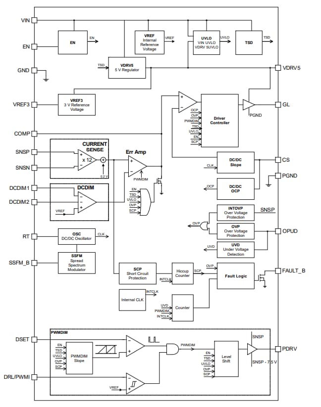
블록 선도
애플리케이션 회로도
게시일: 2021-03-23
| 갱신일: 2022-03-11
