Renesas Electronics ISL85009 동기식 벅 레귤레이터
Renesas/Intersil ISL85009 동기식 벅 레귤레이터는 고효율 모놀리식 레귤레이터입니다. 이 레귤레이터는 3.8~18V의 입력 전압에서 9A의 연속 출력 전류를 제공합니다. ISL85009 장치는 빠른 과도 응답과 탁월한 루프 안정성을 가진 전류 모드 제어 아키텍처를 사용합니다. 이 장치는 최대 1MHz의 외부 클록으로 동기화될 수도 있습니다. 결함 상태가 발생한 동안 시스템 수준의 안전성을 제공하는 장치에 통합된 입력 또는 출력 과전압 및 과열 보호 기능을 갖추고 있습니다. 서버 및 클라우드 인프라 POL(Point-Of-Load), IPC(Infrastructure Protection Center), 공장 자동화 및 PLC에 사용됩니다.The Renesas Electronics ISL85009 Synchronous Buck Regulator is housed in a compact 3.5mm x 3.5mm TQFN-15 package ideal for space-constrained applications.
특징
- 가변 전원 입력 전압 범위: 3.8~18V
- 0.6V에서 최대 9A의 출력 부하에서 PWM 출력 전압 조절 가능
- 사전 바이어스 시동 및 고정 3ms 소프트 스타트
- 300kHz, 600kHz 및 최대 1MHz의 외부 동기화 중 선택 가능한 fSW
- 피크 전류 모드 제어
- DCM/CCM
- 온도 보상된 전류 제한
- 내부/외부 보상
- 콤팩트한 크기 3.5mm x 3.5mm 및 15Ld TQFN
애플리케이션
- 서버 및 클라우드 인프라 POL(Point-Of-Loads)
- 인프라 보호 센터(IPC), 공장 자동화, PLC
- 텔레콤 및 네트워킹 시스템
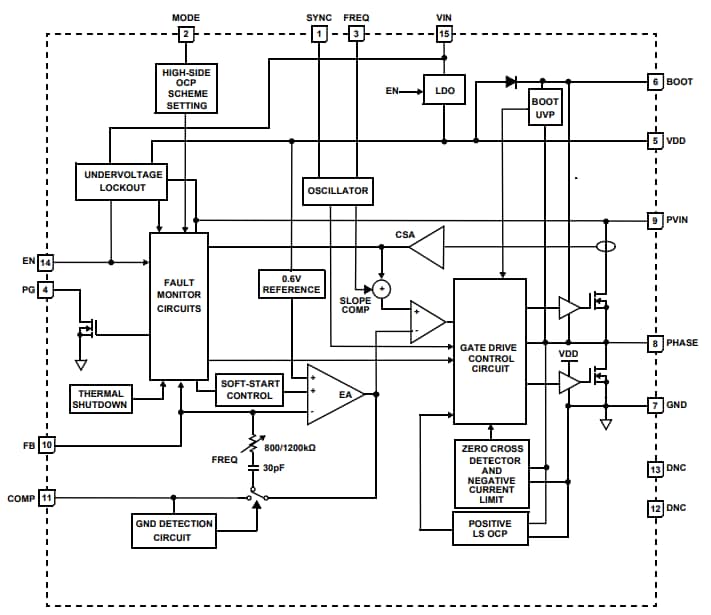
ISL85009 블록 선도
일반 애플리케이션 계통도
게시일: 2017-06-28
| 갱신일: 2022-06-29
