Renesas Electronics 8A34044 4채널 범용 주파수 변환기
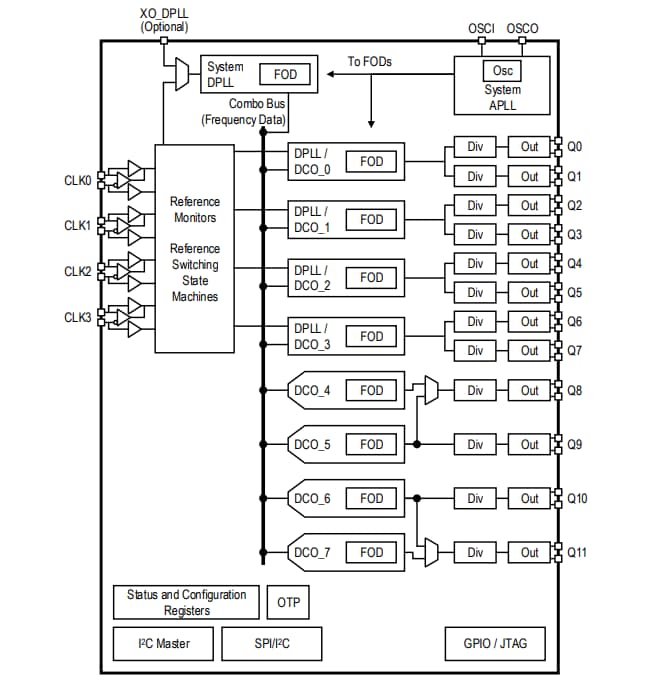
Renesas/IDT 8A34044 4채널 범용 주파수 변환기는 2개의 DPLL(디지털 PLL) 채널과 6개의 DCO(디지털 제어 발진기) 채널을 제공합니다. DPLL은 외부 기준 장치에 고정되거나 자유롭게 작동할 수 있으며 모든 DPLL에 의해 동기화 가능한 DCO로 구성할 수 있습니다. 그런 다음, DCO는 OTN(Optical Transport Network) 애플리케이션의 외부 알고리즘으로 제어할 수 있습니다. Renesas/IDT 8A34044는 백플레인 또는 다른 미디어에서 동기화 소스와 연결된 통신 포트, 온라인 카드 또는 보조 카드를 동기화하는 데 사용할 수 있습니다.8A34044 변환기는 클록 생성, 지터 감쇠 및 범용 주파수 변환을 위한 여러 독립 타이밍 채널을 지원합니다. 입력-입력, 입력-출력 및 출력-출력 위상 왜곡은 모두 정확하게 관리할 수 있습니다. 이 장치는 CPRI/OBSAI, SONET/SDH 및 PDH 인터페이스를 비롯해 최대 28Gbps에서 실행되는 SERDES를 직접 동기화할 수 있는 초저 지터 클록을 출력합니다.
특징
- 2개의 독립적인 DPLL(디지털 PLL)
- 6개의 독립적인 DCO(디지털 제어 발진기)
- 지터 출력: 150fs RMS 미만(표준)
- PLL(DPLL), 1kHz~1GHz까지의 모든 주파수에 고정
- 0.5Hz~1GHz의 주파수를 생성하는 DPLL/DCO
- DCO 출력은 DPLL 또는 DCO의 출력과 위상 및 주파수를 맞출 수 있습니다.
- 최대 2개의 차동 또는 4개의 단일 종단 레퍼런스 클록 입력 지원
- 크리스털 발진기 또는 기본 모드 크리스털이 필요한 장치: 25~54MHz
- 최대 12개의 차동 출력 또는 24개의 LVCMOS 출력 지원
- 레퍼런스 모니터는 LOS, 활동, 주파수 모니터링 및/또는 LOS 입력 핀에 따라 자격 기준을 충족하거나 미충족
- 자동 레퍼런스 선택 상태 시스템은 레퍼런스 모니터, 우선순위 테이블, 복귀/비 복귀 및 기타 프로그래밍 가능한 설정을 기반으로 각 DPLL에 대한 액티브 레퍼런스를 선택합니다.
- XO_DPLL 입력 옵션을 사용하면 안정성이 높은 로컬 발진기가 필요한 애플리케이션의 경우 1~150MHz 범위의 XO, TCXO 또는 OCXO 주파수 범위를 넓힐 수 있음
- 1MHz I2C 또는 50MHz SPI를 지원하는 직렬 프로세서 포트
- 이 장치는 다음을 통해 재설정한 후에 자동으로 구성할 수 있습니다.
- 내부 고객 프로그래밍 가능 일회성 프로그래밍 가능 메모리
- 별도의 I2C 마스터 포트를 통한 표준 외부 I2C EPROM
애플리케이션
- 코어 및 액세스 IP 스위치/라우터
- 동기식 이더넷 장비
- 10Gb, 40Gb, 100Gb 이더넷 인터페이스
- 4.5G 및 5G 네트워크 장비용 무선 인프라
- OTN Muxponder 및 라인 카드
블록 선도
게시일: 2019-02-20
| 갱신일: 2023-06-13
