Qorvo RFSW1012 광 대역 SPDT 스위치
Qorvo RFSW1012 Broadband SPDT 스위치는 매우 낮은 삽입 손실과 뛰어난 출력 처리 성능이 요구되는 애플리케이션을 위해 설계된 단극 양투(SPDT) 스위치입니다. Qorvo RFSW1012 스위치는 넓은 주파수 대역(50Ω: 5MHz ~ 6000MHz, 75Ω: 5MHz ~ 2500MHz)에서 동작하며, 다음과 같은 주요 RF 성능을 제공합니다: 1980MHz에서 전형적인 삽입 손실 0.30dB 2GHz에서 높은 아이솔레이션 37dB 우수한 선형성(IP3 > 75dBm)RF 경로에 외부 DC 블로킹 커패시터가 불필요하도록 설계되었으며 (외부 DC 인가 시 제외), 2000V HBM ESD 등급을 탑재하여 내구성과 신뢰성을 강화하였습니다. 이 스위치들은 LTE, WCDMA, CDMA, CATV, SATV, post-PA 라우팅, 일반 RF 스위칭 등 다양한 애플리케이션에 최적화되어 있습니다. 2mm × 2mm × 0.55mm 크기의 컴팩트 12핀 QFN 패키지에 탑재된 RFSW1012는 공간이 제한된 고성능·다목적 설계에 최적화되어 있습니다.
특징
- 5 MHz~6 000 MHz 작동
- 50 또는 75Ω 애플리케이션
- 0.30 dB의 낮은 삽입 손실(1 980 MHz)
- 37 dB의 높은 절연(2 GHz)
- 2 GHz에서 높은 >75 dBm IP3
- 저전압 로직과 호환 (VHIGH 최소 = 1.3V)
- DC가 외부적으로 인가되지 않으면 RF 경로에 외부 DC 블로킹 커패시터가 필요하지 않음
- 모든 포트에서 정격 2 000 V HBM ESD
- CTB/CSO >100dBc (41dBmV/채널, 137채널)
- 12 핀 2 mm x 2 mm 무연 QFN 패키지
애플리케이션
- LTE, WCDMA 및 GSM
- CATV 및 SATV
- 포스트 PA 스위칭
- 범용 스위칭
사양
- 50 Ω 시스템
- 작동 주파수 범위: 5 MHz ~ 6 000 MHz
- 표준 삽입 손실 범위: 0.25 dB ~ 0.45 dB
- 21 dB ~ 45 dB 표준 RFC-RFX 절연 범위
- 21 dB ~ 42 dB 표준 RF1-RF2 절연 범위
- 표준온 상태 반사 손실: >15 dB
- 75 dBm 표준 입력 IP3
- 129 dBm 표준 입력 IP2
- 50Ω 부하 조건에서 최대 동작 입력 파워 (Pin) 범위 30dBm ~ 36dBm
- >100 MHz 41 dBm에서 최소 P0.1dB
- -75dBc 최대 2 차 및 3 차 고조파
- 스퓨리어스 출력 (typical): -105dBm ~ -100dBm
- 최대 입력 전력 범위: 34 dBm ~ 36 dBm
- 2.7 V ~ 4.6 V 장치 전압 범위
- 최대 누설 전류 범위: 20 µA ~ 200 µA
- 최대 제어 전압 범위: 0.45 V ~ 2.7 V
- 최대 제어 전류 범위: 3 µA ~ 5 µA
- 최대 스위칭 속도: 5μs
- 75 Ω 시스템
- 작동 주파수 범위: 5 MHz ~ 2 500 MHz
- 표준 삽입 손실 범위: 0.15 dB ~ 0.45 dB
- 26 dB ~ 70 dB 표준 RFC-RFX 절연 범위
- 32 dB ~ >70 dB 표준 RF1-RF2 절연 범위
- >13 dB ~ >15 dB 표준온 상태 반사 손실 범위
- 100dBc 이상의 표준 CSO (41dBmV/ch, 137 개 채널)
- 100dBc 이상의 표준 CTB (41dBmV/ch, 137 개 채널)
- 90dBc 이상의 표준 XMOD (41dBmV/ch, 137 개 채널)
- 75Ω 부하에서 최대 동작 Pin 범위: 30dBm ~ 36dBm
- 작동 케이스 온도 범위: -40 °C ~ +90 °C
- 최고 작동 접합 온도: +125 °C
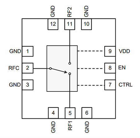
블록 선도
애플리케이션 회로 계통도
게시일: 2026-01-19
| 갱신일: 2026-01-26
