QPM1002는 ANT 포트에 최대 2W의 입력 전력이 특징으로, 제한기를 사용할 필요가 없고 Qorvo의 QGaN25 0.25µm GaN-on-SiC 공정으로 제작됩니다. QPM1002는 높은 열전도성 다이 부착 공정과 결합된 오버몰드 캡슐 재료를 사용하는 5mm x 5mm QFN 표면 장착 패키지의 고온 환경에서 뛰어난 성능을 발휘합니다. 이 장치는 콤팩트한 크기 덕분에 X-밴드 위상 배열 레이더 애플리케이션에 필요한 엄격한 격자 간격 요구 사항을 충족합니다.
특징
- 주파수 범위: 8.5~10.5GHz
- RX 잡음 지수: 2.2dB
- RX 소신호 이득: 25dB
- RX 포화 전력: 16dBm
- RX 출력 TOI: 22dBm
- TX 소신호 이득: 33dB
- TX 대신호 이득: 25dB
- TX 포화 전력: 35dBm, 펄스형
- TX PAE: 32% @ 35dBm Pout, 펄스형
- TX 출력 TOI @ 6dBm Pin/톤: 38.5dBm
- TX 고조파 억제: 35dBc
- 패키지 크기: 5mm x 5mm x 0.85mm
애플리케이션
- 전자전(EW)
- 상용 및 군용 레이더
- 통신
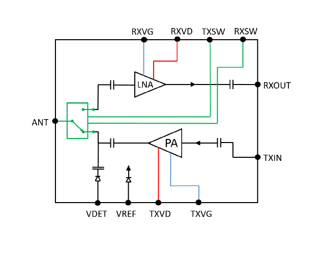
기능 블록 선도
게시일: 2019-06-19
| 갱신일: 2025-08-27

