Qorvo QPC6742 RF 스위치 IC
Qorvo QPC6742 RF 스위치 IC는 75Ω이며, SOI(Silicon On Insulator) 단극, 4단(SP4T) 스위치입니다. QPC6742 RF 스위치 IC는 CATV, 위성 셋톱 및 기타 고성능 통신 시스템용으로 설계되었습니다. 이 QPC6742 스위치 IC는 고절연 대칭 토폴로지, 우수한 선형성 및 전력 처리 성능을 제공합니다. QPC6742 IC는 RF 포트에서 캡을 막을 필요가 없다. 이 QPC6742 스위치 IC는 5MHz~2,000MHz의 주파수 범위에서 작동합니다. MDU 증폭기, 포인트-투-포인트, 광 노드, 셋톱 박스, PCTV 및 다중 튜너 DVR에 사용됩니다.특징
- 5MHz~2000MHz 작동
- 800MHz의 낮은 삽입 손실에서 0.35dB
- RF 라인에 전압이 인가되지 않는 한 블로킹 커패시터 불필요
- 높은 절연 성능: 800MHz에서 34dB
- 850MHz에서 높은 입력 IP3 82dBm
- 2kV ESD
- +1.8V 로직 호환
- 3V~5V 작동
애플리케이션
- MDU 증폭기
- 포인트 투 포인트
- 광학 노드
- 셋톱 박스
- PCTV
- 다중 튜너 DVR
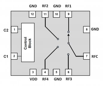
QPC6742 RF 스위치 IC 기능 블록 선도
표준 성능 특성
추가 자료
게시일: 2018-03-15
| 갱신일: 2023-01-30
