
onsemi NCV7723B 6-채널 하프 브리지 드라이버
Onsemi NCV7723B 6-채널 하프 브리지 드라이버에는 자동차 및 산업용 모션 제어 애플리케이션을 위해 특별히 설계된 보호 기능이 포함되어 있습니다. 이 드라이버는 독립적인 제어 및 진단 기능을 갖추고 있으며 전진, 후진, 브레이크 및 고임피던스 상태에서 작동이 가능합니다. Onsemi NCV7723B 하프 브리지 드라이버는 16비트 SPI 인터페이스를 통해 제어되며 데이지 체인 호환이 가능합니다. 이 드라이버는 낮은 정동작 전류 절전 모드, 저전압 및 과전압 록아웃, 통합 프리휠링 보호(LS 및 HS), 과전류 보호 및 과열 보호 기능을 제공합니다. NCV7723B 하프 브리지 드라이버는 HVAC 애플리케이션을 위한 자동차, 산업 및 DC 모터 관리에 이상적입니다.특징
- 낮은 대기 전류 절전 모드
- 하프 브리지 구성으로 연결된 하이 측 및 로우 측 드라이버
- 통합된 프리휠링 보호(LS 및 HS)
- 일반적으로 500mA, 피크 전류 1.1A
- 0.8Ω (표준) RDS (on)
- OUT1 및 OUT2 외부 PWM 제어
- 5MHz SPI 통신
- 16비트 프레임 오류 감지
- 여러 8비트 장치와 호환되는 데이지 체인
- 3.3V 및 5V 시스템과 호환
- 부족전압 및 과전압 록아웃
- 채널당 결함 보고
- 과전류 보호
- 과열 보호
- 부족 부하 감지(LS 및 HS)
- 노출 패드 패키지
- 고유한 사이트 및 제어 변경 요구 사항이 필요한 자동차 및 기타 애플리케이션에 대한 NCV 접두사
- AEC-Q100 인증
- PPAP 가능
- 무연 장치
애플리케이션
- 자동차 전장
- 산업
- HVAC용 DC 모터 관리
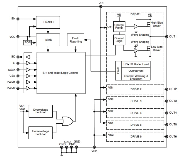
블록 선도

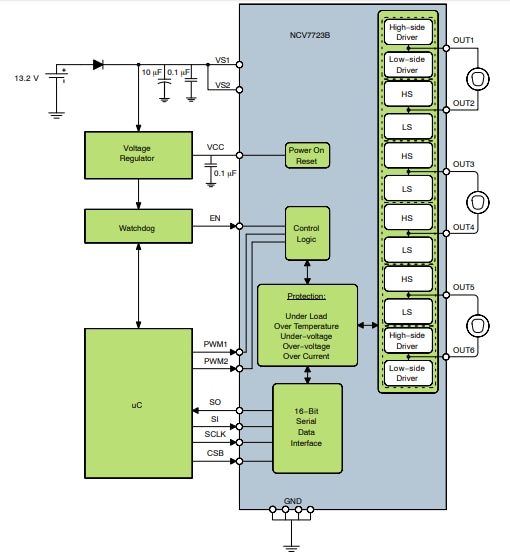
애플리케이션 회로도

게시일: 2020-05-22
| 갱신일: 2024-05-22