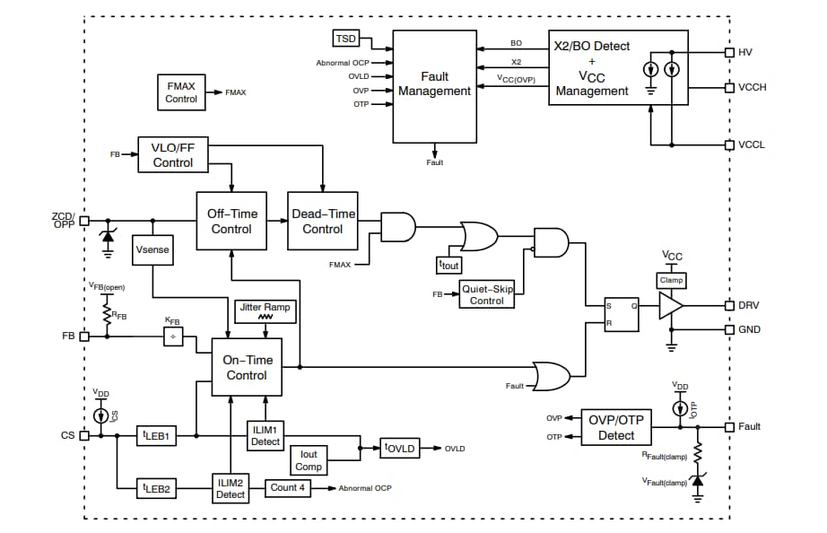
Onsemi NCP1345 유사 공진 플라이백 컨트롤러는 프로그래밍된 출력 전압 또는 명판 출력 전력에 관계없이 일정한 출력 전류 제한을 가능하게 하는 정밀한 1차측 기반 출력 전류 제한 회로를 제공합니다.
NCP1345는 내부 브라운아웃 감지, 입력 전압에 관계없는 최대 출력 전류 제한, 전용 핀을 통한 래치형 과전압 및 NTC 준비 과열 보호 등 여러 주요 보호 옵션을 용이하게 합니다. 또한 라인 제거 감지 기능은 라인이 제거될 때 X2 커패시터를 안전하게 방전하여 컨버터의 견고성을 보장합니다.
특징
- 브라운아웃 감지 기능이 있는 통합형 고전압 시동 회로
- X2 커패시터 방전 기능 통합
- 8V ~ 38V의 넓은 VCCL 범위
- 고전압 보조 권선 연결용 150V VCCH 핀
- 36.5V VCC 과전압 보호
- 1차측 기반 정전류 출력 전류 제한
- 권선 단락 감지를 위한 비정상적인 과전류 오류 방지
- 내부 온도 차단
- 무잡음 작동을 위해 밸리 차단 기능을 갖춘 밸리 스위칭 작동
- 스위칭 주파수의 빠른 감소를 위한 신속한 주파수 폴드백
- 출력 전압 보정 기능이 있는 스킵 모드
- 무부하 소비 전력 최소화
- 감소된 EMI 시그니처를 위한 주파수 지터링
- 래치 또는 자동 복구 과부하 보호
- 조정 가능한 과출력 보호
- 고정된 및 조정 가능한 최대 주파수 클램프
- 심각한 장애 조건에 대한 장애 핀, OTP에 대해 NTC 호환
블록 선도
일반 애플리케이션 회로
게시일: 2022-08-22
| 갱신일: 2023-04-20

