특징
- IGBT 밀러 플래토 전압에서 고전류 출력(+4/-6A)
- 향상된 IGBT 구동을 위한 낮은 출력 임피던스
- 정확한 매칭으로 짧은 전파 지연
- 스퓨리어스 게이트 턴온을 방지하기 위한 액티브 밀러 클램프
- 프로그래밍 가능 지연으로 DESAT 보호
- DESAT를 위한 네거티브 전압(-9V로 하향) 성능
- IGBT 합선 시 소프트 턴 오프
- 합선 시 IGBT 게이트 클램핑
- IGBT 게이트 액티브 풀다운
- 바이어스 유연성을 위한 엄격한 UVLO 임계값
- 네거티브 VEE2를 포함한 넓은 바이어스 전압 범위
- 입력 공급 전압: 3.3V~5V
- AEC-Q100 인증을 위해 설계됨
- 5,000V 갈바닉 절연(UL1577 요구 조건 충족)
- 1,200V 작동 전압(VDE0884-10 요구 사항에 따름)
- 높은 과도 내성
- 높은 전자기 내성
- 무연, 무할로겐이며 RoHS를 준수함
애플리케이션
- 자동차용 전원 공급 장치
- HEV/EV 파워트레인
- OBC
- BSG
- EV 충전기
- PTC 히터
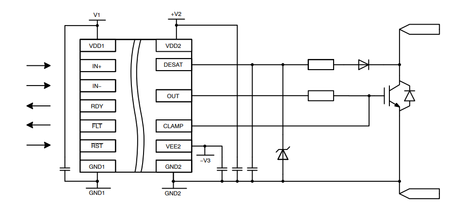
단순 블록 선도
간소화된 애플리케이션 계통도
Additional Resources
게시일: 2019-04-30
| 갱신일: 2024-01-31

