특징
- UL 인증 번호 E209204(UL1557)
- 10Khz 이상의 스위칭 주파수를 위해 최적화됨
- 500V FRFET MOSFET 3상 인버터(게이트 드라이버 및 보호 기능 제공)
- 3상 전류 감지를 위해 로우 측 MOSFET의 개별 오픈 소스 핀
- 액티브 하이 인터페이스, 3.3/5V 로직, Schmitt-Trigger 입력으로 작동
- 내장형 부트스트랩 다이오드가 PCB 레이아웃을 간소화함
- 낮은 전자기 간섭을 위해 최적화됨
- 게이트 구동 및 부족 전압 보호용 HVIC의 온도를 모니터링하는 HVIC 온도 감지 기능 내장
- 절연 등급: 1,500Vrms/분
- RoHS 규격 준수
- SMD 패키지의 습도 감도 레벨(MSL) 3
애플리케이션
- 소형 전력 AC 모터 드라이브용 3상 인버터 드라이버
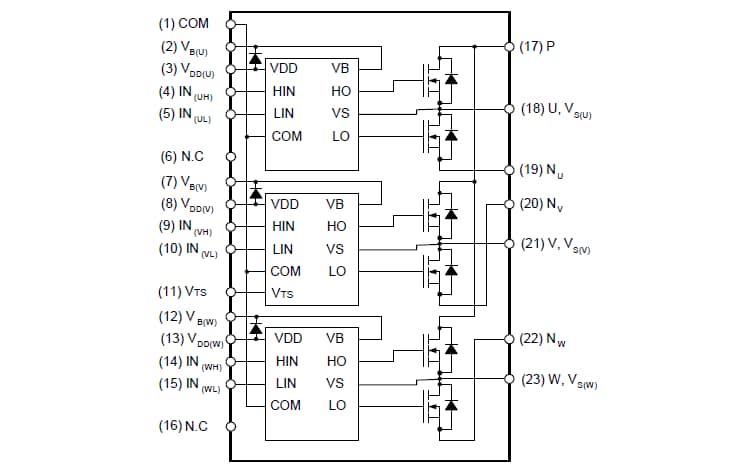
블록 선도
게시일: 2017-04-20
| 갱신일: 2022-03-11

