특징
- 강제 CCM
- 4.7~16V VIN
- 0.6~0.80V(VOUT) 및 최대 12V(VIN)
- 통합 전력 MOSFET
- 최대 8A의 출력 전류
- 통합 5V LDO
- 300kHz~1.2MHz 프로그래밍 가능 스위칭 주파수
- 하이측 및 로우측 OCP 작동 모두
- 히컵 과전류 보호
- 일시정지 과전압 및 부족전압 보호
- 복구 가능한 열 차단 보호
- 3.5mm x 3.5mm, FCQFN18 패키지
- 사전 바이어스 출력 전압으로 안전하게 기동
애플리케이션
- 기지국 무선 장치
- PoL(Point of Load)
- 전기통신 및 네트워킹
- 서버 및 스토리지 시스템
일반 애플리케이션 회로
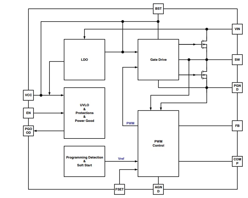
기능 블록 선도
게시일: 2021-08-09
| 갱신일: 2024-01-04

