onsemi FOD848x 광학적으로 격리된 IPM
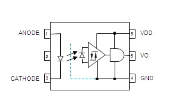
onsemi FOD848x 광학 절연 지능형 전원 모듈(IPM)은 접지 루프나 위험한 전압을 수행하지 않고 컨트롤러에서 IPM으로 디지털 제어 신호를 전달합니다. FOD848x IPM은 알루미늄 갈륨 비소(AlGaAs) 발광 다이오드와 통합된 고 이득 광검출기로 구성된 신축형 몸체 6핀 소형 외형 플라스틱 패키지로 포장됩니다. 광검출기는 차동 모드 잡음 내성을 제공하고 출력 신호 채터의 가능성을 제거하는 히스테리시스가 있는 검출기 임계 값을 갖습니다. 비 반전 출력은 토템 폴로 설계되어 풀업 레지스터가 필요하지 않습니다. FOD8482는 최대 3.0mA에서 낮은 임계 값 입력 전류 IFLH를 갖습니다.FOD848x 모듈은 -40~+100°C의 확장된 산업 온도 범위와 4.5~30V의 VDD 범위에서 보장됩니다. 이 장치는 낮은 IF 및 넓은 VDD 범위를 제공하여 TTL, LSTTL 및 CMOS 논리와 호환됩니다. 따라서 다른 고속 광커플러에 비해 전력 소비가 줄어 듭니다.
특징
- 최대 임계값 입력 전류: IFLH
- FOD8480 – 5.5mA
- FOD8482 – 3.0mA
- FOD8480T 및 FOD8482T-8mm 연면 거리 및 간극 거리 및 0.4mm 절연 거리로 신뢰성 있고 높은 전압 절연
- CMTI(공통 모드 과도 면역)로 특징 지어진 높은 잡음 내성
- 최소 CMTI: 20kV/µs
- 폭넓은 작동 전압 범위: 4.5~30V
- -40~+100°C의 확장된 산업 온도 범위에서 보장되는 사양
- 안전 및 규정 승인
- UL1577, 1분 동안 5,000VACRMS
- DIN-EN/IEC60747-5-5, 1,140V 피크 작동 절연 전압
애플리케이션
- 지능형 전원 모듈 분리
- 산업용 통신 인터페이스 분리
핀 연결 장치
게시일: 2019-11-07
| 갱신일: 2025-05-08
