onsemi / Fairchild FSB50825AB 스마트 전력 모듈
ON Semiconductor FSB50825AB 스마트 전원 모듈(SPM®)은 소형 전원 모터 드라이브 애플리케이션을 위한 소형 인버터 솔루션입니다. 이 모듈에는 FRFET 게이트 구동을 위한 6개의 고속 복구 MOSFET(FRFET)와 3개의 하프 브리지 HVIC(고전압 집적 회로)가 포함되어 있습니다. FSB50825AB는 최적화된 스위칭 속도와 함께 낮은 EMI 특성을 제공합니다. 이 SPM는 부트스트랩 다이오드가 내장되어 있고 SPM23DD-21L 패키지로 제공됩니다. 이 SPM23DD-21L 패키지는 열 성능과 소형화에 맞게 최적화되어 있어 내장형 모터 애플리케이션에 적합합니다. 이 SPM에는 인버터 전류 감지 애플리케이션용으로 분할된 3개의 네거티브 DC-링크 단자도 포함되어 있습니다. FSB50825AB SPM은 소형 전력 AC 모터 드라이브용 3상 인버터 드라이버에 사용하기에 적합합니다.특징
- 250VRDS(on)=0.45Ω (max) 3-phase FRFET inverter including High Voltage Integrated Circuit (HVIC)
- Three divided negative DC-link terminals for inverter current sensing applications
- HVIC for gate driving and under-voltage protection
- Optimized for low electromagnetic interference
- Isolation voltage rating of 1500VRMS for 1min
- HVIC temperature sensing
- An embedded bootstrap diode in the package
- RoHS compliant
사양
- 20V control supply voltage (VCC)
- -0.3 ~ VCC +0.3V input signal voltage (VIN)
- 250V (maximum) repetitive reverse voltage (VRRMB)
- 0.5A forward current (IFB) @ TC=25ºC
- -40ºC ~ 150ºC operating junction temperature (TJ)
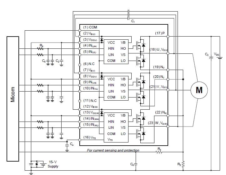
Application Circuit
게시일: 2017-04-06
| 갱신일: 2022-03-11
