NXP Semiconductors i.MX RT1180 크로스오버 MCU(마이크로컨트롤러)
NXP Semiconductors i.MX RT1180 크로스오버 MCU(마이크로컨트롤러)는 최대 800MHz의 속도로 작동하는 고성능 Arm® Cortex®-M7 코어와 최대 300MHz의 전력 효율적인 Cortex-M33 코어가 특징입니다. NXP i.MX RT1180은 산업용 실시간 프로토콜(Profinet, EtherCAT, EtherCAT, EtherNet/IP 등)을 지원할 수 있는 산업용 게이트웨이 기능을 갖추고 있습니다. MCU은 최첨단 이더넷 스위치 서브시스템과 ECC로 보호되는 대형 1.5MB 온 칩 RAM을 통해 TSN 기반 프로토콜도 지원합니다. 이 구성 요소는 산업 자동화, 빌딩 자동화, 에너지 또는 IoT (사물 인터넷)와 같은 다양한 부문의 애플리케이션을 위해 설계되었습니다.i.MX RT1180 MCU는 DC-DC 및 저드롭아웃(LDO) 레귤레이터가 있는 통합 고급 전력 관리 모듈을 갖추고 있어 외부 전원 공급 장치의 복잡성을 줄입니다. 고급 전원 관리 모듈은 전원 시퀀싱 뿐만 아니라 대형 서브시스템을 간소화하여 메모리 인터페이스, 연결 인터페이스(CAN-FD, LPUART, LPSPI, LPI2C, FlexIO)를 포함한 다양한 애플리케이션을 지원합니다.
NXP i.MX RT1180 장치는 고급 Secure Enclave 서브시스템, PUF(물리적 복제 방지 기능), OTFAD(온 더 플라이 AES 암호 해독), TRDC(신뢰할 수 있는 리소스 도메인 컨트롤러), BBSM(배터리 백업 보안 모듈)및 IEE(인라인 암호화 엔진)을 포함한 여러 보안 기능을 통합하고 있습니다.
특징
- 800MHz에서 Arm Cortex-M7 및 최대 300MHz의 Arm Cortex-M33 - 옵션 싱글 코어 Arm Cortex-M33
- 소프트웨어 및 도구
- MCUXpresso 개발자 경험
- IDE 선택
- 핀, 클록, 주변기기, 보안 및 메모리 구성 도구
- 보안 프로그래밍 및 프로비저닝 도구
- SDK(소프트웨어 개발 키트)
- 제퍼 RTOS 지원
- 산업용 프로토콜 지원
- MCUXpresso 개발자 경험
- 네트워킹
- 다중 프로토콜을 지원하는 통합 Gbps TSN(Time Sensitive Network) 스위치가 있는 최초의 실시간 MCU(마이크로컨트롤러), 기존 시스템과 Industry 4.0 간 통신 연결
- Profinet, Ethernet/IP, EtherCAT, CC-Link IE Field, HSR 등과 같은 실시간 산업용 이더넷 프로토콜
- 산업 자동화를 위한 IEC 60802 규격을 준수하는 최신 TSN 표준
- OPC UA Pub-Sub, Profinet over TSN, CC-Link IE TSN 과 같은 TSN 기반 프로토콜
- TSN 스위치의 포트 4개(레이어 2) 및 TSN 엔드 포인트 컨트롤러에 포트 1개 포함) 최대 5Gbps 포트
- 포트 카운터, 필터 등을 포함한 고급 흐름 제어 기능을 갖춘 L2 관리
- 다중 프로토콜을 지원하는 통합 Gbps TSN(Time Sensitive Network) 스위치가 있는 최초의 실시간 MCU(마이크로컨트롤러), 기존 시스템과 Industry 4.0 간 통신 연결
- 고급 보안
- 통합형 EdgeLock® 보안 인클레이브를 갖춘 크로스오버 MCU는 사전 구성되고, 자체 관리되는 자율 보안 서브시스템으로서, 네트워크 연결 산업용 IoT 애플리케이션을 위한 강력한 시스템 전반에서 보안 구현의 복잡성을 용이하게 합니다.
- IEC 62443 시스템 규정 준수를 위한 구성 요소 레벨 기반 제공
- 안전한 부팅, 보안 키 메커니즘 및 고성능 암호화 기능이 있는 복잡한 네트워크 시스템의 RoT(Root of Trust) 요구 사항
- 보안 RTC 및 10개의 탬퍼 핀으로 시스템 레벨 물리적 탬퍼 모니터링
- Arm Cortex-M7의 경우 512KB의 TCM과 Arm Cortex-M33의 경우 256KB의 TCM이 있는 최대 1.5MB SRAM(ECC 보호)
- Analog
- 고속 16비트 ADC.
- 고급 타이머 /PWM 및 델타-시그마 복조기
- 산업 온도 범위: -40 °C~+125 °C
- 패키지 옵션
- 289 MAPBGA, 14mm x 14mm, 0.8mm 피치
- 144 MAPBGA, 10mm x 10mm, 0.8mm 피치
애플리케이션
- 빌딩 및 자동화 카메라
- 산업 자동화
- 헬스케어
- 산업용 게이트웨이
- 모션 제어 및 로보틱스
- 모터 드라이브
- 프로그래밍 가능 로직 컨트롤러 및 원격 I/O
- IoT
비디오
블록 선도
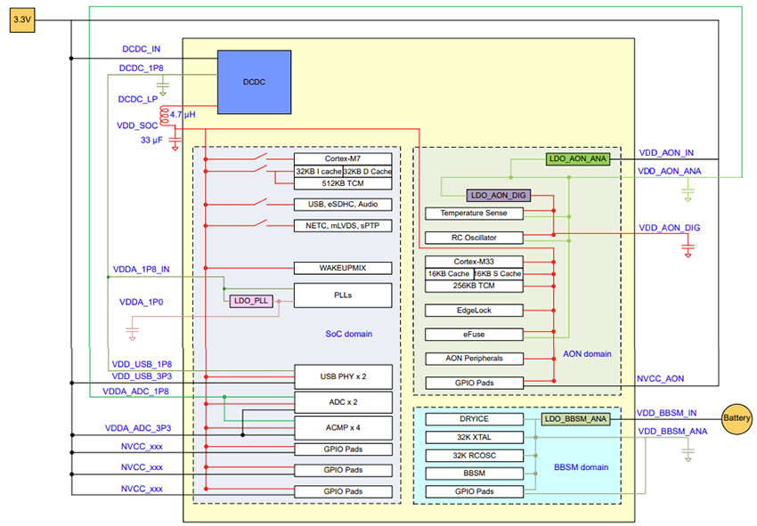
전원 아키텍처
게시일: 2025-09-30
| 갱신일: 2026-01-28
