NXP Semiconductors GD3160 고급 게이트 드라이버는 고성능 스위칭, 낮은 동적 온 상태 저항 및 레일-레일 게이트 전압 제어를 사용하여 SiC MOSFET 및 IGBT 게이트를 직접 구동합니다.
GD3160은 INTA 및 INTB 핀과 SPI 인터페이스를 통해 결함을 자율적으로 관리하고 전원 장치 및 게이트 드라이버 상태를 보고합니다. GD3160은 고신뢰성 시스템(ASIL C/D)을 설계하기 위한 자체 테스트, 제어 및 보호 기능을 포함하고 자동차 애플리케이션의 엄격한 요구 사항을 충족하며 완전히 AEC-Q100 등급 1 인증을 받았습니다.
특징
- 통합 갈바닉 신호 절연(최대 8kV)
- 15A 소스/싱크의 높은 게이트 전류 통합 가능
- 안전모니 터링, 구성 및 진단 보고를 위한 SPI 인터페이스
- 최대 100kHz의 PWM 높은 스위칭 주파수 지원
- 사용자 선택 가능한 안전 상태를 위한 LV 및 HV 도메인으로부터의 페일 세이프 상태 관리
- 확장된 범위에서 프로그래밍 가능한 게이트 전압 레귤레이터
- NTC 및 PTC 서미스터와 호환되는 온도 감지
- SiC 및 IGBT 보호를 위해 최적화된 구성 가능한 불포화 및 전류 감지
- SiC의 고유한 게이트 드라이브 요구 사항에 맞게 최적화된 통합 소프트 셧다운, 2 레벨 턴 오프
- INTA 핀을 통한 실시간 VCE 및 VGE 모니터링
- HV 도메인에서 매개변수를 모니터링하기 위한 통합 ADC
- 100V/ns 초과 CMTI
- 200V ~ 1700V IGBT/SiC와 호환 가능, 전력 범위 125kW 이상
- -40 ~ 125°C 작동 온도 범위
- 7.8mm 이상의 외부 CPG (연면 거리)
- 3.3V 또는 5.0V I/O 로직 인터페이스 변형으로 사용 가능
- 소형 패키지 설치 공간(8mm x 13mm) 32핀 SOIC
- 안전 및 규제 승인
- DIN V VDE V 0884-10에 따른 강화 절연
- UL 1577에 따라 5,000V rms(1분) 절연에 견딤
- CSA 구성품 수락 고지 5A
- AEC-Q100 등급 1 자동차 인증
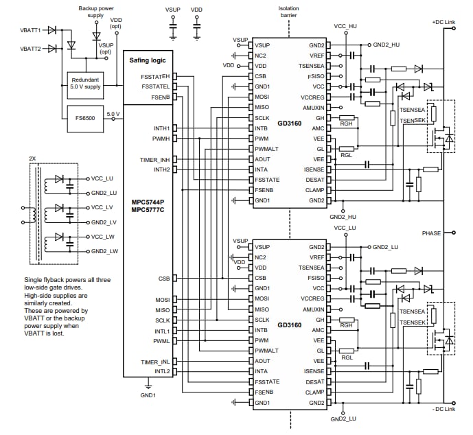
단순화된 애플리케이션 다이어그램
게시일: 2022-06-01
| 갱신일: 2024-06-10
