Nisshinbo NL9620 정밀 계측 증폭기
Nisshinbo NL9620 정밀 계측 증폭기는 최소한의 노이즈와 드리프트로 정확한 신호 증폭이 필요한 애플리케이션을 위해 설계된 고정밀, 저전력 계측 증폭기입니다. 125µV(최대 +25°C)의 낮은 입력 오프셋 전압과 2nA(최대)의 낮은 입력 바이어스 전류를 특징으로 하는 NL9620은 우수한 DC 정확도를 보장하므로 센서 신호 조절, 의료 계측 및 산업용 측정 시스템에 이상적입니다. Nisshinbo NL9620은 ±2.3V ~ ±18V의 넓은 공급 전압 범위를 지원하고 외부 저항을 통해 구성 가능한 1 ~ 10,000의 이득 범위를 제공합니다. 110dB(최소)의 높은 공통 모드 제거비(CMRR)와 레일 투 레일 출력을 갖춘 NL9620 증폭기는 노이즈가 많은 환경에서도 강력한 성능을 제공합니다. VSP-8-AF 또는 EMP-8-AN 패키지로 제공되며, 낮은 전력 소모 특성으로 공간 제약이 있고 전력에 민감한 애플리케이션에서 정밀 아날로그 프런트엔드 설계에 대한 적합성이 더욱 향상되었습니다.특징
- 외부 저항 1개로 이득 설정, 1~10K 이득 범위
- 낮은 입력 오프셋 전압
- +25°C에서 최대 125μV
- -40°C~+85°C 범위에서 최대 185μV
- 최대 입력 오프셋 전압 드리프트 1μV/°C
- 최대 입력 바이어스 전류 2nA
- 일반 공급 전류 0.9mA, 최대 1.3mA
- 최소 공통 모드 제거비 110dB(G = 100에서)
- ±2.3V~±18V 공급 전압 범위
- 내장 EMI 필터
- 최대 전압 잡음 13nV/√Hz(f = 1kHz)
- 일반 대역폭 120kHz(G = 100에서 -3dB)
- 최소 슬루율 0.75V/μs
- 바이폴라 아키텍처
- 지정된 작동 온도 범위 -40°C~+85°C
- 패키지 옵션
- VSP-8-AF(2.9mm x 4.0mm x 1.1mm)
- EMP-8-AN (5.0mm x 6.0mm x 1.5mm)
- Sn2Bi 도금 조성
- 할로겐 프리 및 RoHS 준수
애플리케이션
- 배터리 구동 장비
- 센서 인터페이스(스트레인 게이지, 유량계, 압력 센서)
- 센서 신호 컨디셔닝
- 정밀 아날로그 프런트엔드
- 트랜스듀서 인터페이스
- 저울
- 의료 계측기
- 산업용 측정 시스템
비디오
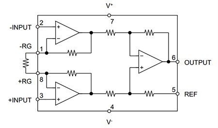
블록 선도
내부 블록 선도
게시일: 2025-07-08
| 갱신일: 2025-12-03
