Monolithic Power Systems (MPS) EV2796-0000/0002-FP-00A Evaluation Boards
Monolithic Power Systems (MPS) EV2796-0000/0002-FP-00A Evaluation Boards are designed to demonstrate the capabilities of the MP2796, an Analog Front-End (AFE) monitoring and protection IC. This MP2796 IC supports 7-cell to 16-cell series battery packs with voltage measurement accuracy, current, and a set of protection features. The MP2796 IC includes high-side MOSFETs (HS-FETSs) and measures each cell’s voltage for discharge and charge control. This MP2796 offers internal passive-balancing MOSFETs and measures cell and die temperatures via four Negative Temperature Coefficient (NTC) thermistor inputs. The MOSFETs incorporate Over-Current Protection (OCP), Short-Circuit Protection (SCP), battery Under-Voltage Protection (UVP), and battery Over-Voltage Protection (OVP).These evaluation boards feature high/low-temperature protection and a current sense resistor. The EV2796-0000/0002-FP-00A evaluation boards operate at 18V to 75.2V battery pack voltage range, 0V to 5V cell voltage range, and 0A to 70A continuous discharge current.
Features
- Over-Current Protection (OCP)
- Short-Circuit Protection (SCP)
- Battery Under-Voltage Protection (UVP)
- Battery Over-Voltage Protection (OVP)
Specifications
- 18V to 75.2V battery pack voltage range
- 0V to 5V cell voltage range
- 0A to 70A continuous discharge current
- >58mA external balancing current
- 58mA internal balancing current
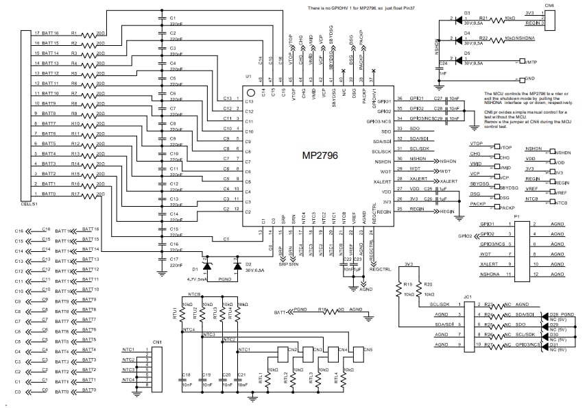
Schematic Diagram
게시일: 2024-02-27
| 갱신일: 2024-03-19
