Mikroe Angle 2 Click(MIKROE-2338)
MikroElektronika Angle 2 Click(MIKROE-2338)은 초고속 MA700 각도 센서 통합 회로에 의존하는 자기 회전 센서입니다. 500kHz의 높은 데이터 출력 속도 덕분에 MA700 IC는 최대 100,000 RPM의 속도로 신뢰성 있는 절대각 위치 데이터를 제공할 수 있습니다. 다양한 비접촉 각도 측정 애플리케이션을 위한 이상적인 솔루션입니다. 이 장치는 기계식 2차 인코더 교체와 같은 BLDC 모터 속도 검출을 위한 다양한 로봇 및 자동차 애플리케이션의 서보 드라이브에 사용할 수 있습니다.특징
- 최대 100,000 RPM에서의 자기 각도의 정확한 감지
- 비축(off-axis) 자석과 함께 사용하는 경우에도 우수한 선형성과 낮은 오류 마진 제공
- 지연없는 Spinaxis 기술
- 기본 매개변수 등의 영구 저장을 위한 OTP 메모리.
애플리케이션
- 다양한 비접촉 각도 측정 애플리케이션용 솔루션
- 다양한 로봇 및 자동차 애플리케이션에서 서보 드라이브용으로 사용 가능
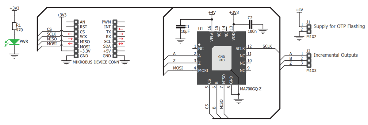
계통도
게시일: 2018-12-20
| 갱신일: 2022-08-08
