특징
- 3.3 kVHV100/LinPakSiC 모듈 지원
- 10.2 kV1차 격리에서 2차 격리
- 증강 스위칭(구성 가능한 켜기 및 끄기)
- 모니터링 기능(절연 온도, DC 링크 모니터링)
- 고급 보호 기능(UVLO, OVLO, Desat, 음의 온도 계수(NTC))
- 2 X 10 W 출력 전력
- 15 A피크 소스/싱크 전류
- 구성 가능한 게이트 출력 전압
- 소프트 셧다운(SSD) 시간 및 전압 수준
- 아래 기준에 부합하는 자격
- 철도 표준 EN50155
- EN 50121-3-2, EN 61000-6-4 EMC 준수
- EN에 따른 충격 및 진동 61373
- 화재 위험 수준 HL2
애플리케이션
- 레일 견인(보조 및 추진 시스템)
- 배터리 충전 시스템
- 스마트 그리드/계통 연계형 배전 발전
- 무정전 전원 공급 장치(UPS) 시스템
- 산업용 모터 드라이브
- 중장비
- 중전압 충전기/고속 충전기
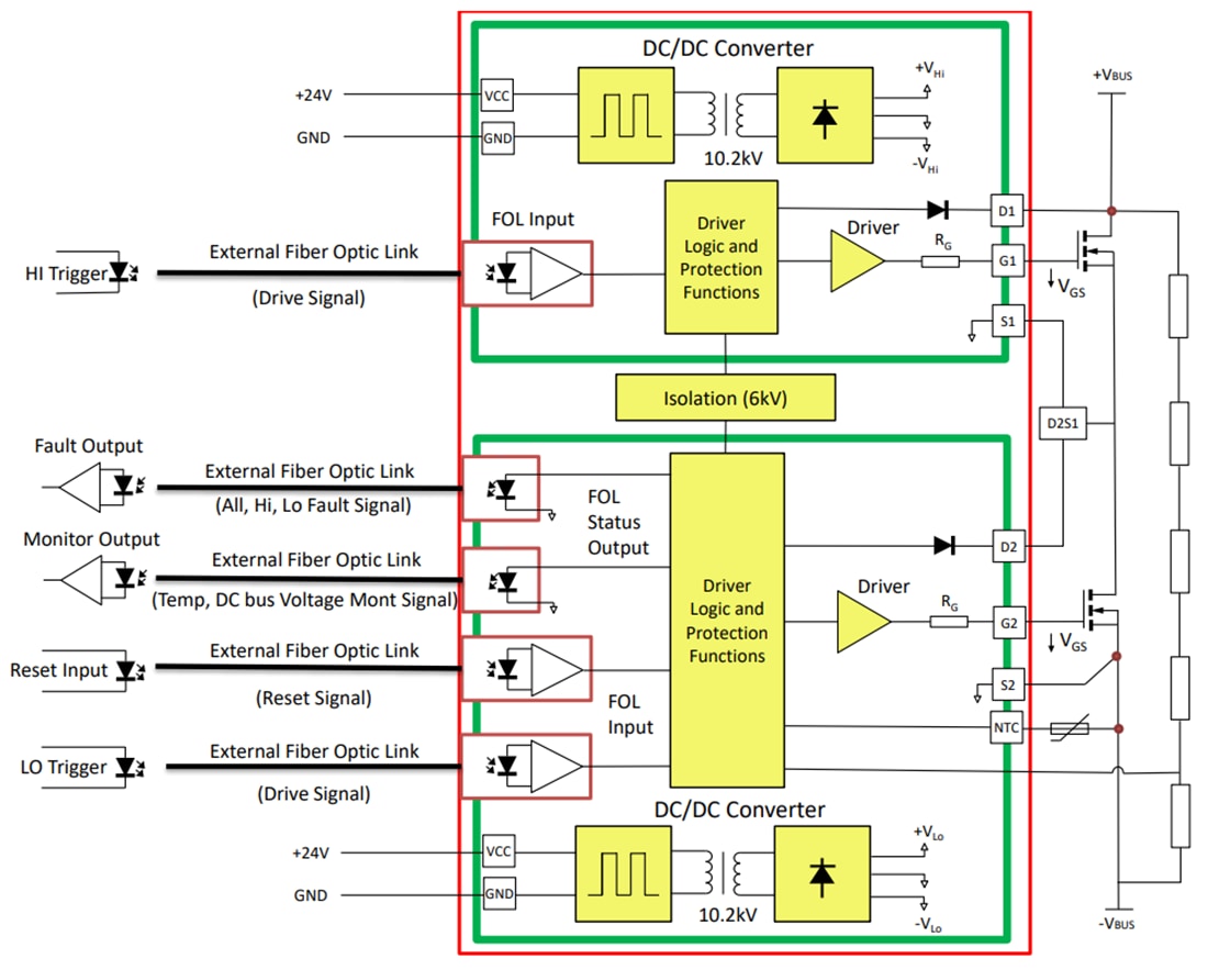
기본 회로도
게시일: 2025-01-13
| 갱신일: 2025-01-31

