ATmega256x는 256K 바이트의 Read-While-Write 기능, 4Kbyte EEPROM, 8Kbytes SRAM 및 86개의 범용 I/O 라인을 갖춘 인시스템 프로그래밍 가능 플래시를 제공합니다. 이 장치는 32개의 범용 작동 레지스터, 실시간 카운터, 비교 모드를 갖춘 6개의 유연한 타이머/카운터, PWM, 4 USART, 바이트 중심 2-와이어 직렬 인터페이스, 16채널 10비트 A/D 컨버터, 온칩 디버깅을 위한 JTAG 인터페이스 등이 있습니다.
ATmega256x의 작동 전압 범위는 1.8~5.5V이며 처리량은 16MHz에서 16MIPS입니다. 이 장치는 단일 클록 사이클에서 강력한 명령어를 실행하여 소비전력과 처리 속도의 균형을 유지함으로써 MHz 당 1MIPS에 가까운 처리량을 달성합니다.
특징
- 고성능 저전력 Atmel® AVR® 8비트 마이크로컨트롤러
- 온도 범위: -40~85°C(산업용)
- 초저 소비전력
- 액티브 모드: 1MHz, 1.8V: 500µA
- 파워 다운 모드: 1.8V에서 0.1µA
- 고급 RISC 아키텍처
- 135 강력한 명령어 - 대부분의 단일 클록 사이클 실행
- 32 × 8개의 범용 작동 레지스터
- 완전히 정적인 작동
- 16MHz에서 최대 16MIPS 처리 속도
- 온칩 2-사이클 체배기
- 고내구성의 비휘발성 메모리 소자
- 64K/128K/256KBytes의 인시스템 자체 프로그래밍 가능 플래시
- 4KB EEPROM
- 8Kbytes 내부 SRAM
- 쓰기/지우기 주기: 10,000 플래시/100,000 EEPROM
- 데이터 보존: 85°C에서 20년/25°C에서 100년
- 독립적인 잠금 비트가 있는 옵션 부트 코드 섹션
- 온칩 부팅 프로그램에 의한 인시스템 프로그래밍
- 진정한 '쓰기 중 읽기' 작업
- 소프트웨어 보안을 위한 프로그래밍 잠금
- 내구성: 최대 64Kbytes 외부 메모리 공간(선택 사양)
- Atmel® QTouch® 라이브러리 지원
- 정전식 터치 버튼, 슬라이더 및 휠
- QTouch 및 QMatrix 인수
- 최대 64개의 감지 채널
- JTAG(IEEE® 표준 1149.1 준수) 인터페이스
- JTAG 표준에 따른 경계 스캔 기능
- 광범위한 온칩 디버그 지원
- JTAG 인터페이스를 통한 플래시, EEPROM, 퓨즈 및 잠금 비트의 프로그래밍
- 주변기기 특징
- 별개의 프리스케일러와 비교 모드가 있는 8비트 타이머/카운터 2개
- 별개의 프리스케일러, 비교 및 캡처 모드가 있는 16비트 타이머/카운터 4개
- 실시간 카운터(별도의 발진기 포함)
- 8비트 PWM 채널 4개
- 2~16비트(ATmega1281/2561, ATmega640/1280/2560)의 프로그램 가능한 분해능을 갖춘 6/12개의 PWM 채널
- 출력 비교 모듈레이터
- 8/16채널, 10비트 ADC(ATmega1281/2561, ATmega640/1280/2560)
- 2 또는 4개의 프로그램 가능한 직렬 USART(ATmega1281/2561, ATmega640/1280/2560)
- 마스터/슬레이브 SPI 직렬 인터페이스
- 바이트 지향 2와이어 직렬 인터페이스
- 프로그래밍 가능 감시 타이머(별도의 온칩 발진기 포함)
- 온칩 아날로그 비교기
- 핀 변경 시 인터럽트 및 웨이크업
- 특수한 마이크로컨트롤러 기능
- 파워 온 리셋 및 프로그래밍 가능 브라운아웃 감지
- 내부 보정 발진기
- 외부 및 내부 인터럽트 소스
- 6가지 절전 모드: 공회전, ADC 잡음 감소, 절전, 파워 다운, 대기 및 대기 연장
- I/O 및 패키지
- 54/86 프로그래밍 가능한 I/O 라인(ATmega1281/2561, ATmega640/1280/2560)
- 64패드 QFN/MLF, 64리드 TQFP(ATmega1281/2561)
- 100리드 TQFP, 100볼 CBGA(ATmega640/1280/2560)
- RoHS/완전한 친환경 소재 사용
- 속도 등급:
- ATmega640V/ATmega1280V/ATmega1281V: 1.8~5.5V에서 0-4MHz, 2.7~5.5V에서 0-8MHz
- ATmega2560V/ATmega2561V: 1.8~5.5V에서 0-2MHz, 2.7~5.5V에서 0-8MHz
- ATmega640/ATmega1280/ATmega1281: 2.7~5.5V에서 0-8MHz, 4.5~5.5V에서 0-16MHz
- ATmega2560/ATmega2561: 4.5~5.5V에서 0-16MHz
애플리케이션
- 임베디드 컨트롤
- 전력 레귤레이션
- 정류
- DAC
- 모터 제어
자세히 알아보기
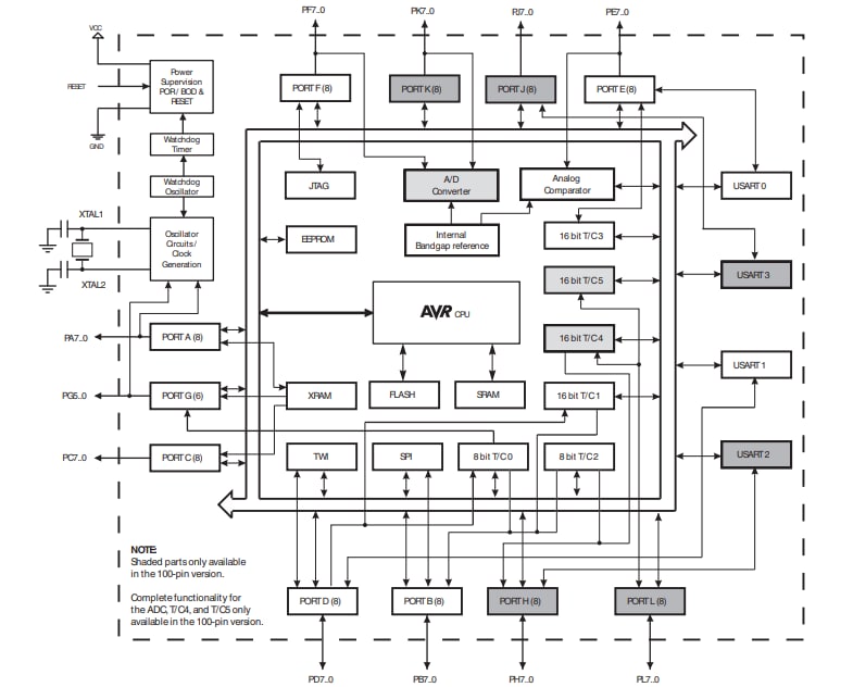
블록 선도
아키텍처 개요
게시일: 2019-02-06
| 갱신일: 2023-05-12

