ADM00873 평가 보드는 Curiosity PIC32MZEF 개발 보드(DM320104) 및 SAR ADC 유틸리티 소프트웨어와 함께 작동하도록 설계되었습니다. Curiosity PIC32MZEF 개발 보드(DM320104)는 고성능 PIC32MZ EF 시리즈 PIC® 마이크로컨트롤러(PIC32MZ2048EFM100)가 탑재된 완전 통합형 32비트 개발 플랫폼입니다. DM320104는 ADM00873 평가 보드에서 수신되는 디지털 데이터를 캡처하는 데 사용됩니다.
특징
- 풀 스케일 아날로그 입력 범위: -VREF ~ +VREF
- MCP33131D/21D/11D 포함 ADM00873: -4VPP ~ +4VPP
- 평가 대상 성능 지표: SNR, SFDR, INL, DNL 등
- 동적 성능 모니터링
- 소프트웨어 구성을 저장하고 로드하는 능력
- 사용자 후처리를 위해 원시 데이터를 저장하고 로드하는 능력
키트 구성품
- ADM00873 SAR ADC 평가 보드 1개
- 9V 전원 공급 장치 1개
필수 장비
- Curiosity PIC32MZEF 개발 보드(DM320104)
- 별도 판매
- Type A 수형-마이크로-B USB 케이블
- 키트와 함께 제공되지 않음
- 외부 신호 입력
- 사용자가 제공
- SAR ADC 유틸리티 소프트웨어
- Microchip 웹사이트에서 제공
Curiosity PIC32MZEF 개발 보드에 연결된 ADM00873
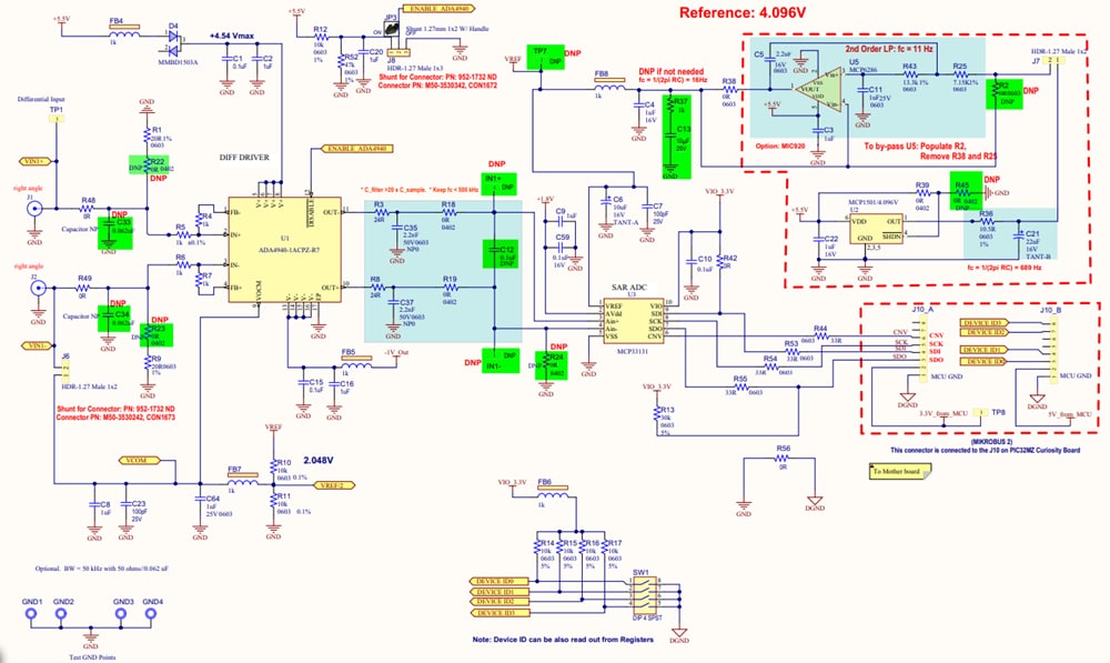
계통도
게시일: 2019-06-13
| 갱신일: 2023-06-02

