MACOM MABC-001000-x GaN Bias Controller Modules
MACOM MABC-001000-x GaN Bias Controller Modules offer proper gate voltage and pulsed drain voltage. The voltage biasing is for a Device Under Test (DUT). These devices offer bias sequencing to ensure that pulsed drain voltage cannot be applied to the device under test. MABC-001000-x is capable of robust GaN protection at any power-up/power-down sequence. It has a target total switch transition time of ≤500ns.MACOM MABC-001000-x provides an open-drain output current of ≤200mA for an external MOSFET switch drive. These modules also provide a gate bias output current of ≤50mA for heavy RF compression and an internal thermistor or external temperature sensor voltage for Gate Bias Sum. Additional features include optional remote temperature sensing, fast gate switching, remote gate adjust, and buffered multi-gate bias. Featuring a 30dB typical EMI/RFI Rejection at all I/O ports, the MABC-001000-x are RoHS compliant and 260° reflow compatible.
Features
- Robust GaN protection at any power up/power down sequence
- Fixed gate bias voltage with pulsed drain bias voltage
- Add-on module allows for gate pulsing
- An open-drain output current of ≤200mA for external MOSFET switch drive
- Internal thermistor or external temperature sensor voltage for gate bias sum
- 30dB typical EMI/RFI rejection at all I/O ports
- 6.60 x 22.48mm² package with 1mm pitch SMT leads
- Target ≤500ns total switch transition time
- Gate bias output current ≤50mA for heavy RF compression
- RoHS* compliant and 260°C reflow compatible
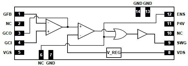
Functional Schematic
게시일: 2015-06-30
| 갱신일: 2022-03-11
