MACOM CMPA2735030S 30W GaN MMIC 전력 증폭기
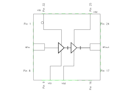
Wolfspeed CMPA2735030S 30W 2.7~3.5GHz GaN MMIC 전력 증폭기는 HEMT(고전자 이동도 트랜지스터) 기반 MMIC(모놀리식 마이크로파 집적 회로)입니다. CMPA2735030S GaN(질화 갈륨) 증폭기는 더 높은 항복 전압, 더 높은 포화 전자 표류 속도, 더 높은 열전도율을 비롯해, 실리콘 또는 갈륨 비소보다 우수한 특성을 제공합니다. 또한 GaN HEMT는 GaAs 트랜지스터에 비해 더 큰 전력 밀도와 더 넓은 대역폭을 제공합니다.Wolfspeed CMPA2735030S 30W GaN MMIC 전력 증폭기는 고전력 및 추가 효율을 허용하는 2단 능동 정합 증폭기 설계가 특징이며 5mm x 5mm, 표면 실장(QFN 패키지)로 제공됩니다.
특징
- 32dB 소신호 이득
- 최대 50V까지 작동
- 높은 항복 전압
- 고온 작동
- 5mm x 5mm 총 제품 크기
애플리케이션
- 펄스 레이더 증폭기
- 민간
- 군용
사양 도표
애플리케이션 계통도
게시일: 2021-09-10
| 갱신일: 2024-01-17
