MACOM CMPA1C1D080F-AMP 평가 보드

Wolfspeed CMPA1C1D080F-AMP 평가 보드를 통해 사용자는 CMPA1C1D080F 전력 증폭기를 평가할 수 있습니다. CMPA1C1D080F 90W 12.75~13.25GHz GaN MMIC 전력 증폭기는 SiC 생산 공정에서 Cree의 고성능 0.25um GaN을 활용합니다. HPA은 볼트 다운 플랜지 패키지로 제공되며 탁월한 열 관리 기능을 제공합니다.

Wolfspeed CMPA1C1D080F-AMP 평가 보드는 CMPA1C1D080F 증폭기가 설치된 상태로 제공됩니다.

특징

  • 90W(표준) PSAT
  • 전력 부가 효율: 21% 이상(표준)
  • 25dB 소신호 이득
  • 20W 총 출력 전력(-30dBc IM3)
  • 최대 40V에서 작동

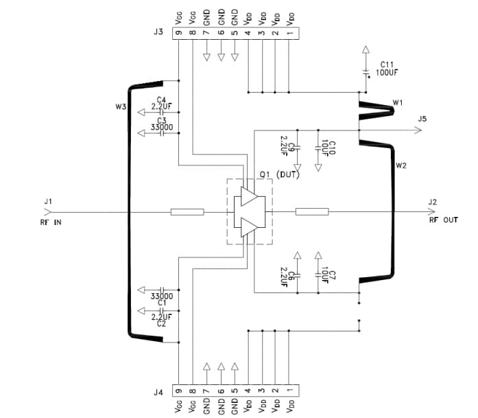
애플리케이션 회로

계통도 - MACOM CMPA1C1D080F-AMP 평가 보드
게시일: 2021-09-10 | 갱신일: 2024-01-17