Littelfuse CPC2501M 솔리드 스테이트 릴레이
Littelfuse CPC2501M 솔리드 스테이트 릴레이는 집적 회로가 내장된 상시 닫힘(1-Form-B) 솔리드 스테이트 릴레이 스위치를 통합합니다. 이 회로는 인가 전압에 따라 릴레이 상태를 제어하고 관리하도록 특별히 설계되었습니다. CPC2501M은 비디오 도어벨 설정 시 비디오 및 차임벨의 원활한 작동을 보장하기 위해 벨소리 바이패스 기능을 제공하는 자가 작동 및 비절연 솔리드 스테이트 릴레이입니다. 또한, 이 릴레이는 2.5W의 뛰어난 전력 처리 성능, 170µs의 빠른 응답 시간, 고장 보호 회로, 그리고 1.84A의 연속 부하 전류를 제공합니다. CPC2501M 솔리드 스테이트 릴레이는 도어 차임벨 바이패스, 빌딩 자동화, 사물 인터넷(IoT), 보안, 전압 제어 릴레이 등의 애플리케이션에 사용됩니다.특징
- 1-Form-B (상시 닫힘) 릴레이
- 내부 제어 회로:
- 자가 작동
- 고장 보호 타이머
- 25°C에서 최대 온 저항 600mW
- 60V 피크 AC 또는 DC 부하 전압
- 부하 전류:
- 1.84ARMS 연속
- 5A 피크
- 최대 170μs 고속 턴온
- 소형 6mm x 6mm 열 강화 QFN 패키지
애플리케이션
- 비디오 도어벨
- 초인종 우회
- 빌딩 자동화
- 사물 인터넷(IoT)
- 보안
- 전압 제어 릴레이
일반적인 비디오 도어벨 애플리케이션 회로
기능 블록 선도
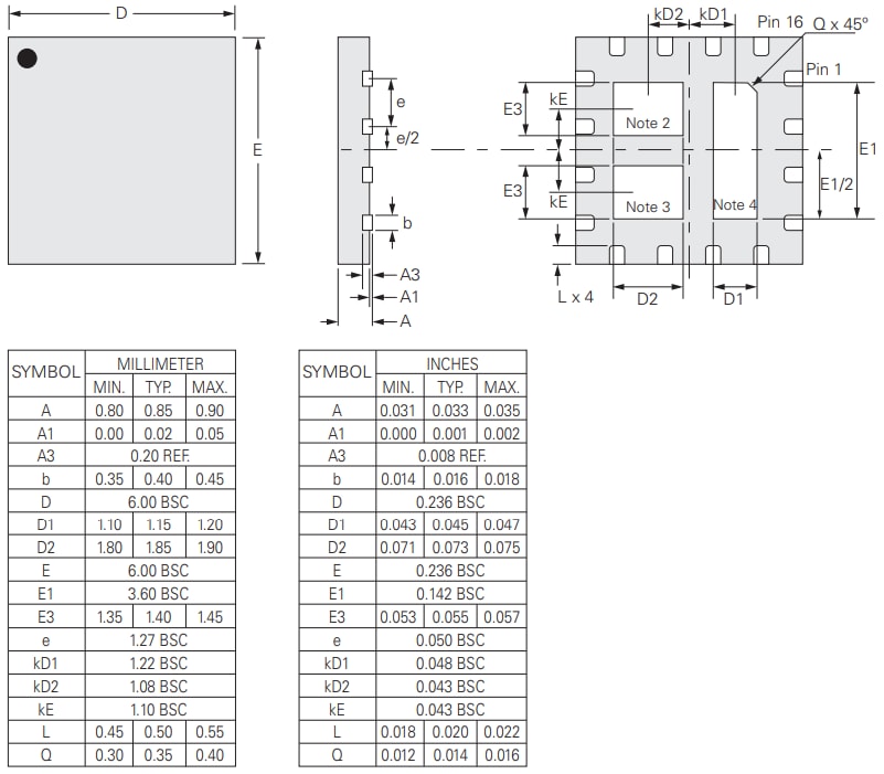
기계적 치수
게시일: 2025-05-02
| 갱신일: 2025-05-22
