일반적으로 스트로브 조명 및 가스 엔진 점화를 위한 정전식 방전 시스템에 사용됩니다. 추가 애플리케이션으로는 전동 공구, 홈/소형 가전제품 및 백색 가전제품 용 제어 장치가 포함됩니다.
특징
- RoHS 규격 준수
- 유리 부동태화 접합
- 최대 800V 전압 용량
- 최대 20A 서지 성능
애플리케이션
- 스트로브 조명 및 가스 엔진 점화를 위한 정전식 방전 시스템
- 전동 공구, 홈/가전제품 및 백색 가전 기기용 제어 장치
사양
- 1.25A IT(RMS)
- 800V VDRM/VRRM
- 50~200uA IGT
- 60°C/W Rth(JC)
계통도
간단한 테스트 회로
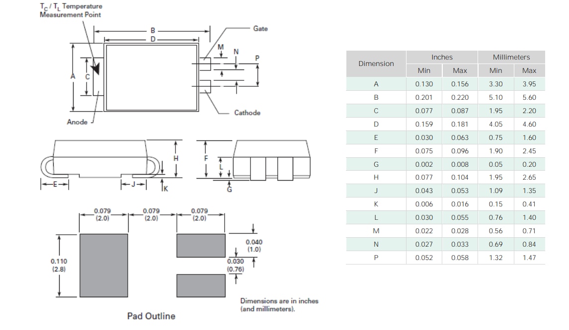
패키지 크기-Compak(C 패키지)
게시일: 2021-09-10
| 갱신일: 2022-03-11

