Infineon Technologies XDPS2201 하이브리드 플라이백 컨트롤러
Infineon Technologies XDPS2201 하이브리드 플라이백 컨트롤러는 비대칭 하프 브리지 제어를 기반으로 합니다. 이 하프 브리지는 직렬 커패시터와 함께 기존 플라이백 변압기를 구동합니다. 플라이백 변압기와 직렬 커패시터의 주요 인덕턴스는 ZVS(제로 전압 스위칭)를 달성하는 데 사용되는 공진 탱크를 구축하고 있습니다. XDPS2201 스위칭 컨트롤러는 빠른 충전 및 낮은 대기 전력을 위한 600V 고전압 시동 셀을 갖추고 있습니다. 이 컨트롤러는 견고하고 빠른 라인 및 부하 제어를 위한 피크 전류 모드 제어 기능을 제공합니다. XDPS2201 스위칭 컨트롤러 IC는 AC/DC SMPS 및 초고 전력 밀도 어댑터에 사용하기에 적합합니다.특징
- DSO-14(150mil) 패키지에 통합된 하프 브리지 드라이버
- 빠른 충전 및 낮은 대기 전력을 위한 600V 고전압 시동 셀
- 견고하고 빠른 라인 및 부하 제어를 위한 피크 전류 모드 제어
- 출력 전류 추정에 기반한 버스트 모드 진입/종료 작동
- 1차 측 출력 과전압 보호
- 75mW 미만의 최저 무부하 대기 전력 지원
- 1 핀 UART 인터페이스를 통해 다양하게 구성 가능한 매개변수
- 가장 낮은 BOM 필요
- 구성 가능한 브라운 인/아웃 보호
- 구성 가능한 내장형 소프트 스타트
- 구성 가능한 출력 과전압 보호
- 작은 히스테리시스로 구성 가능한 버스트 모드 진입/종료 전류 임계값
- 피크 및 과도 부하를 위해 2가지 레벨로 구성 가능한 과전류 보호
- 낮은 부하 효율 개선을 위해 사이클 스키핑 기능으로 구성 가능한 주파수 감소
- 스위칭 주파수를 위해 구성 가능한 지터
- 정확한 피크 전류 제어를 위해 구성 가능한 전파 지연 보상
- 무연 도금
- IEC61249-2-21에 따른 RoHS 규격 준수, 무할로겐
애플리케이션
- AC/DC SMPS
- 20W/in3 이상의 초고 전력 밀도 어댑터
- 93%를 초과하는 초고효율 SMPS
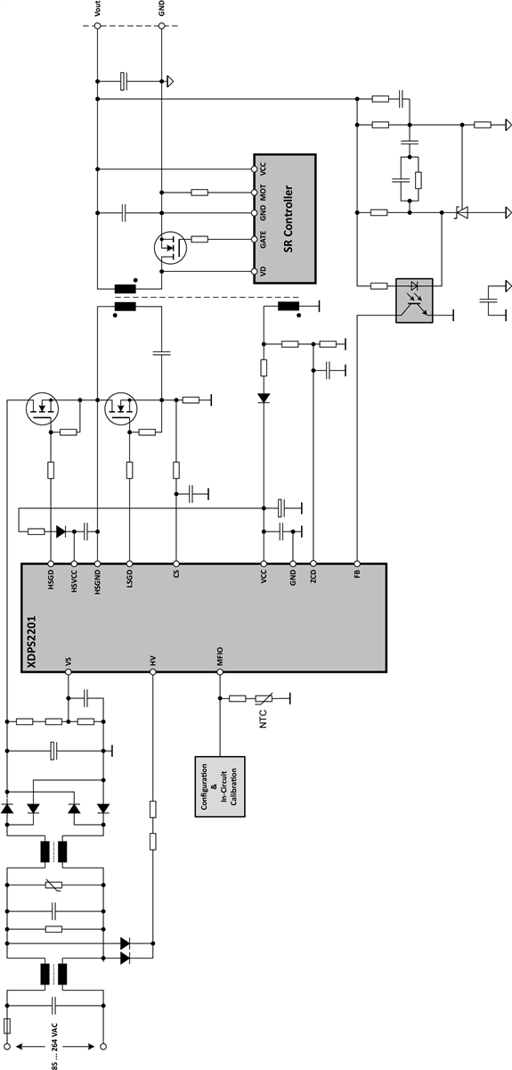
일반 애플리케이션 회로
블록 선도
게시일: 2021-03-25
| 갱신일: 2022-03-11
