Infineon Technologies IRS2007 200-V 하프 브리지 드라이버
Infineon Technologies IRS2007 200-V 하프 브리지 드라이버는 종속 하이 및 로우 사이드 기준 출력 채널을 갖춘 고전압, 고속 전력 MOSFET 드라이버입니다. 독점 HVIC 및 래치업 면역(latchimmune) CMOS 기술은 견고한 단일 구조를 구현합니다. 로직 입력은 최저 3.3V 로직까지 표준 CMOS 또는 LSTTL 출력과 호환 가능합니다. 이 출력 드라이버는 최소 드라이버 교차 전도용으로 설계된 높은 펄스 전류 버퍼단이 특징입니다. 플로팅 채널은 200V까지 작동하는 하이 사이드 구성에서 N채널 전력 MOSFET 또는 IGBT를 구동하는 데 사용할 수 있습니다. 고주파 애플리케이션에서 HVIC 사용을 간소화하기 위해 전파 지연이 정합됩니다.특징
- 290mA/600mA의 표준 게이트 전류의 IO+/IO-
- 채널 당 최대 20V의 게이트 구동 전압
- VCC, VBS의 독립적 부족 전압 록아웃
- 3.3V, 5.0V, 15.0V 입력 로직 호환
- 네거티브 과도 전압에 견딜 수 있음
- 부트스트랩 전원 공급 장치와 함께 사용하도록 설계됨
- 교차 전도 방지 로직
- 두 채널에 대한 일치하는 전달 지연
- 내부 세트 데드타임
- HIN 입력과 동일 위상의 하이 측 출력
- LIN 입력으로 위상 범위를 벗어난 로우 사이드 출력
- 작동 온도 범위: -40~125°C
- 2kV HBM ESD
- RoHS 규격 준수
애플리케이션
- 배터리 작동식 전동 공구
- 배터리 작동식 원예 장비
- 소형 전기 차량(전동 바이크, 전자 스쿠터, 전자 장난감)
- 무선 충전
- 기타 일반 배터리 구동식 애플리케이션
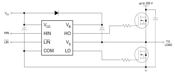
일반 연결 선도
게시일: 2018-10-16
| 갱신일: 2024-01-12
