Honeywell ABP2 Board-Mount Pressure Sensors
Honeywell ABP2 Board-Mount Pressure Sensors offer a digital output for reading pressure over the specified full-scale pressure span (2.5mbar to 12bar/250Pa to 1.2MPa / 1inH2O to 175psi) and temperature range (-40°C to 110°C). These piezoresistive silicon pressure sensors are calibrated and temperature compensated for sensor offset, temperature effects, sensitivity, and accuracy errors via an onboard ASIC. The calibrated output values for pressure and temperature are updated at approximately 200Hz. The ABP2 Board-Mount Pressure Sensors are designed and manufactured according to ISO 9001 standards. The liquid-media option includes an additional silicone-based gel coating to protect the electronics under port P1.Features
- Total error band as low as ±1.5% FSS
- Liquid media option for compatible with a variety of liquid media
- Long-term stability as low as ±0.25% FSS
- Accuracy as low as ±0.25% FSS BFSL
- Wide pressure range
- 2.5mbar to 12bar
- 250Pa to 1.2MPa
- 1inH2O to 175psi
- High burst pressures
- Ratiometric analog output
- 24-bit digital I2C or SPI-compatible output
- IoT-ready interface
- Ultra-low power consumption
- As low as 0.01mW typical average power
- 1Hz measurement frequency
- Meets IPC/JEDEC J-STD-020E Moisture Sensitivity Level 2
- REACH and RoHS compliant
- NSF-169-, LFGB-, and BPA-compliant materials
- -40°C to 110°C operating temperature range and calibrated over the same temperature range
Applications
- Medical
- Ventilators/portable ventilators
- CPAP
- Blood analysis
- Blood pressure monitoring
- Industrial
- HVAC transmitters
- Life sciences
- Material handling
- Pneumatic control and regulation
- Commercial
- Air beds
- Coffee makers
- Washing machines
- Level measurement
- Transportation
- Air brakes
- CNG monitoring
- Forklifts
- Fuel-level measurement
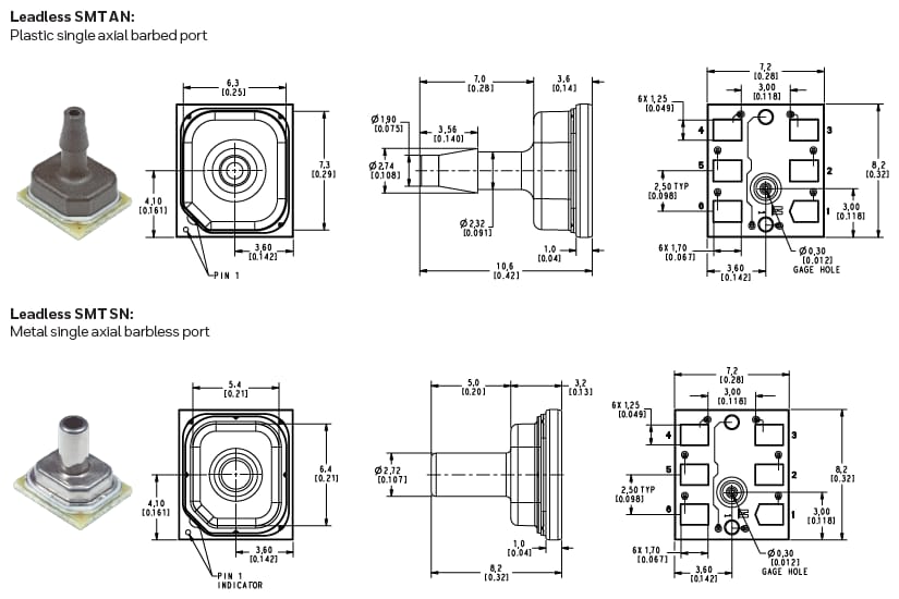
Dimensions
Resources
Videos
게시일: 2020-05-28
| 갱신일: 2025-07-21
