Fingerprints FPC2532 AllKey Development Kit

Fingerprints FPC2532 AllKey Development Kit is a convenient solution for adding identification, personalization, and navigation. The kit is based on the FPC2532 Biometric System, which is available in an LGA package (FPC2532AP) and a versatile flex module assembly (FPC2532AM). The kit includes a FingerWing Feather Wing breakout board with a mounted FPC2532 and an Arduino shield board.

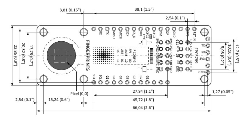
The Feather Wing board offers easily accessible LGA signals via through-hole-plated connections. Cables can be connected directly to the board or the standard 12- and 16-pin feather board headers. There is also a separate row of connections to mate with various FTDI-based adapter boards.

The Arduino shield board connects to the biometric FingerWing, the Arduino shield connector interface, and the flex module. The shield also supplies access and configuration options to all signals available on the Fingerprints FPC2530 Biometric System. Although many signals are placed for easy configuration with a jumper, all signals are fully flexible, and the user decides on the final shield configuration. The FingerWing is fastened on top of the shield.

Features

  • Pre-loaded firmware on the SIP LGA
  • Separate row of connections to mate with various FTDI-based adapter boards
  • 12- and 16-pin feather board headers
  • Easily accessible LGA signals via through-hole-plated connections

Applications

  • Access control and door locks
  • Fast IDentity Online (FIDO) authenticators and tokens
  • Crypto wallets
  • Digital access devices
  • Time and attendance

Kit Contents

  • FPC5788 Arduino shield board
  • FPC5789 Feather wing breakout board
  • FPC2532 (Mounted on the Feather wing)

Required Equipment

  • STM32U545 development board NUCLEO-U545RE-Q
  • USB Type-C® cable
Infographic - Fingerprints FPC2532 AllKey Development Kit

Feather Wing Breakout Board Dimensions - IN (mm)

Mechanical Drawing - Fingerprints FPC2532 AllKey Development Kit

Shield Board Dimensions - IN (mm)

Mechanical Drawing - Fingerprints FPC2532 AllKey Development Kit

Arduino Shield Board Pinout

Location Circuit - Fingerprints FPC2532 AllKey Development Kit
게시일: 2025-08-14 | 갱신일: 2025-08-26